Anschlussbelegung Übersicht Anschluss Funktion X1 CANopen IN und OUT X2 Encoder und Hall-Sensor Anschluss X3 Digitale/analoge Ein- und Ausgänge X4 Bremsen-Anschluss X5 Motoranschluss X6 Spannungsversorgung X7 Micro USB-Anschluss S1 120 Ohm Terminierungswiderstand (Schalter auf ON) S2 Hex-Codierschalter für Node-ID und Baudrate, 16er Stelle (z.B. F0h) S3 Hex-Codierschalter für Node-ID und Baudrate, 1er Stelle (z.B. 0Fh) L1 Betriebs-LED Anmerkung: Alle Pins mit der Bezeichnung GND sind intern verbunden. X1 − CANopen IN und OUT Typ: RJ45-Buchse Pin 1 ist mit einem Stern "*" markiert. Beide Stecker sind identisch nach der nachfolgenden Tabelle konfiguriert. Pin Funktion Bemerkung 1 CAN_H CAN-High 2 CAN_L CAN-Low 3 CAN GND Intern verbunden mit Pin 7 4 n.c. 5 n.c. 6 CAN SHIELD Anschluss für die Schirmung 7 GND Intern verbunden mit Pin 3 8 +UB Logik 24 V DC Eingang, externe Logikversorgung für die Kommunikation, Eingangsspannung, Stromaufnahme ca. 36 mA Anmerkung: Die Logikversorgung hält bei Ausfall der Hauptversorgung die Elektronik, den Encoder und die Kommunikationsschnittstelle in Betrieb. Die Wicklungen des Motors werden nicht von der Logikversorgung versorgt. X2 − Encoder/Hall Sensor Typ: JST S12B-PADSS-1 Gegenstecker (im Lieferumfang nicht enthalten): Gehäuse: JST PADP-12V-1-S (oder äquivalent) Kontakte: JST SPH-001T-P0.5L (oder äquivalent) Passende Nanotec-Kabel (nicht im Lieferumfang enthalten): ZK-PADP-12-500-S ZK-M12-8-2M-2-PADP ZK-M12-12-2M-2-PADP ZK-NTO3-10-500-PADP / ZK-NTO3-10-1000-PADP ZK-NOE-10-500-S-PADP ZK-WEDL-500-S-PADP Pin 1 und Pin 2 sind im Bild markiert. Pin Funktion Bemerkung 1 GND 2 Vcc 5 V DC, Ausgangs- und Versorgungsspannung für Encoder / Hall Sensor; max. 200 mA 3 A 5 V Signal, max. 1 MHz 4 B 5 V Signal, max. 1 MHz 5 A\ 5 V Signal, max. 1 MHz 6 B\ 5 V Signal, max. 1 MHz 7 I 5 V Signal, max. 1 MHz 8 I\ 5 V Signal, max. 1 MHz 9 Hall 1 5 V Signal 10 Hall 2 5 V Signal 11 Hall 3 5 V Signal 12 Shielding Schirmung Anmerkung: Bei Verwendung eines Single-Ended-Encoders werden die Kanäle A/, B/ und I/ nicht ausgewertet! Damit ein Single-Ended-Encoder richtig erkannt wird: ► Setzen Sie das Objekt 2059h auf den Wert "2". ► Schließen Sie an die Pins A\, B\, I\ nichts an, legen Sie diese Pins ebenfalls nicht auf die Masse (GND). Es gelten folgende Schaltschwellen für die Encoder-Eingänge: Typ Schaltschwellen Ein Aus Single > 3,8 V < 0,26 V Differenz > 3,8 V < 0,26 V Die interne Beschaltung der Encoder-Eingänge ist nachfolgend dargestellt. X3 − Ein- und Ausgänge Typ: Phoenix Contact MC 0,5/12-G-2,5 Gegenstecker (im Lieferumfang enthalten): Phoenix Contact FK-MC 0,5/12-ST-2,5 (oder äquivalent) Nanotec-Artikelnummer: ZCPHOFK-MC0,5-12 Pin 1 ist mit einem Stern "*" markiert. Pin Funktion Bemerkung 1 +10 V DC Ausgangsspannung, max. 200 mA 2 Digitaler Eingang 1 5 V / 24 V Signal, umschaltbar per Software mit Objekt 3240h, max. 1 MHz; Takteingang in Takt-Richtungs-Modus 3 Digitaler Eingang 2 5 V / 24 V Signal, umschaltbar per Software mit Object 3240h, max. 1 MHz; Richtungseingang in Takt-Richtungs-Modus 4 Digitaler Eingang 3 5 V / 24 V Signal, umschaltbar per Software mit Objekt 3240h 5 Digitaler Eingang 4 5 V / 24 V Signal, umschaltbar per Software mit Objekt 3240h 6 Digitaler Eingang 5 5 V / 24 V Signal, umschaltbar per Software mit Objekt 3240h 7 Analoger Eingang 1 10 Bit, 0-10 V oder 0-20 mA, umschaltbar per Software mit Objekt 3221h 8 Analoger Eingang 2 10 Bit, 0-10 V, nicht umschaltbar per Software 9 Digitaler Ausgang 1 Open Drain, maximal 24 V / 100 mA 10 Digitaler Ausgang 2 Open Drain, maximal 24 V / 100 mA 11 Digitaler Ausgang 3 Open Drain, maximal 24 V / 100 mA 12 GND Für Eingang 1 bis 5 gelten folgende Schaltschwellen: Max. Spannung Schaltschwellen Ein Aus 5 V > 3,8 V < 0,26 V 24 V > 14,42 V < 4,16 V Für die Analogeingänge gilt folgendes: Konfiguration des Analogeingangs Eingangswiderstand (Maximalwert) Spannungseingang ca. 147 kOhm Stromeingang (Analogeingang 1 nur) bei 1 mA: ca. 350 Ohm Stromeingang (Analogeingang 1 nur) bei 20 mA: ca. 283 Ohm Anschlussdaten min max Leiterquerschnitt starr min 0,14 mm2 0,5 mm2 Leiterquerschnitt flexibel min. 0,14 mm2 0,5 mm2 Leiterquerschnitt flexibel m. Aderendhülse ohne Kunststoffhülse min 0,25 mm2 0,5 mm2 Leiterquerschnitt AWG min 26 20 AWG nach UL/CUL min 28 20 X4 − Bremsen-Anschluss Typ: Phoenix Contact MC 0,5/2-G-2,5 Gegenstecker (im Lieferumfang enthalten): Phoenix Contact FK-MC 0,5/2-ST-2,5 (oder äquivalent) Nanotec-Artikelnummer: ZCPHOFK-MC0,5-2 Pin 1 ist mit einem Stern "*" markiert. Pin Funktion Bemerkung 1 Bremse + Intern verbunden mit +UB 2 Bremse - PWM-gesteuerter Open-Drain Ausgang, max 1,5 A Anschlussdaten min max Leiterquerschnitt starr min 0,14 mm2 0,5 mm2 Leiterquerschnitt flexibel min. 0,14 mm2 0,5 mm2 Leiterquerschnitt flexibel m. Aderendhülse ohne Kunststoffhülse min 0,25 mm2 0,5 mm2 Leiterquerschnitt AWG min 26 20 AWG nach UL/CUL min 28 20 X5 − Motoranschluss Typ: Würth Elektronik 691313510004 Gegenstecker (im Lieferumfang enthalten): Würth Elektronik 691353500004 (oder äquivalent) Nanotec-Artikelnummer: ZCPHOFKC-2,5HC-4 Pin 1 ist mit einem Stern "*" markiert. Pin Funktion (Stepper) Funktion (BLDC) 1 A U 2 A\ V 3 B W 4 B\ nicht benutzt Anschlussdaten min max Leiterquerschnitt starr min 0,2 mm2 1,5 mm2 Leiterquerschnitt flexibel min. 0,2 mm2 1,5 mm2 Leiterquerschnitt flexibel m. Aderendhülse ohne Kunststoffhülse min 0,25 mm2 1,5 mm2 Leiterquerschnitt flexibel m. Aderendhülse m. Kunststoffhülse min 0,25 mm2 0,75 mm2 Leiterquerschnitt AWG min 24 16 AWG nach UL/CUL min 24 16 X6 − Spannungsversorgung Typ: Würth Elektronik 691313510002 Gegenstecker (im Lieferumfang enthalten): Würth Elektronik 691353500002 (oder äquivalent) Nanotec-Artikelnummer: ZCPHOFKC-2,5HC-2 Spannungsquelle Die Betriebs- oder Versorgungsspannung liefert eine Batterie, ein Transformator mit Gleichrichtung und Siebung, oder ein Schaltnetzteil. Anmerkung: EMV: Bei einer DC-Stromversorgungsleitung mit einer Länge von >30 m oder Verwendung des Motors an einem DC-Bus sind zusätzliche Entstör- und Schutzmaßnahmen notwendig. ► Ein EMI-Filter ist in die DC-Zuleitung mit möglichst geringem Abstand zur Steuerung/Motor einzufügen. ► Lange Daten- oder Versorgungsleitungen sind durch Ferrite zu führen. Anschlüsse Pin 1 ist mit einem Stern "*" markiert. Pin Funktion Bemerkung 1 +UB 12 V - 48 V DC, ±5% 2 GND Anschlussdaten min max Leiterquerschnitt starr min 0,2 mm2 1,5 mm2 Leiterquerschnitt flexibel min. 0,2 mm2 1,5 mm2 Leiterquerschnitt flexibel m. Aderendhülse ohne Kunststoffhülse min 0,25 mm2 1,5 mm2 Leiterquerschnitt flexibel m. Aderendhülse m. Kunststoffhülse min 0,25 mm2 0,75 mm2 Leiterquerschnitt AWG min 24 16 AWG nach UL/CUL min 24 16 Zulässige Betriebsspannung Die maximale Betriebsspannung beträgt 50,4 V DC. Steigt die Eingangsspannung der Steuerung über den in 2034h eingestellten Schwellwert, wird der Motor abgeschaltet und ein Fehler ausgelöst. Ab der in 4021h:02h eingestellten Ansprechschwelle wird die integrierte Ballast-Schaltung aktiviert (Drahtwiderstand CR257-05T15R von VITROHM mit 5 W Dauerleistung). Die minimale Betriebsspannung beträgt 11,4 V DC. Fällt die Eingangsspannung der Steuerung unter 10 V, wird der Motor abgeschaltet und ein Fehler ausgelöst. Ein Ladekondensator von mindestens 4700 µF / 50 V (ca. 1000 µF pro Ampere Nennstrom) muss parallel an die Versorgungsspannung angeschlossen werden, um ein Überschreiten der zulässigen Betriebsspannung (z.B. beim Bremsvorgang) zu vermeiden. X7 − Micro USB Für diesen USB-Anschluss wird ein Kabel des Typs "Micro-USB" benötigt. S1 − Terminierungswiderstand Dieser DIP-Schalter schaltet die Terminierung von 120 Ω zwischen CAN_H und CAN_L des CAN-Busses (siehe X1 − CANopen IN und OUT) zu oder ab. Die Schalterstellung "unten" schaltet die Terminierung zu. S2 − CANopen Node-ID und Baudrate Zum Einstellen der CANopen Node-ID. Der Wert dieses Schalters wird mit 16 multipliziert und zum Wert des Schalters S3 addiert, damit stellt dieser Schalter die sechzehner Stelle. S3 − CANopen Node-ID und Baudrate Zum Einstellen der CANopen Node-ID. Der Wert dieses Schalters wird zum Wert des Schalters S2 addiert, damit stellt dieser Schalter die einer Stelle. Beispiel Schalter S2 steht auf dem Wert 1h, Schalter S3 auf dem Wert Fh, daraus ergibt sich der Wert 1Fh für die Node-ID.
Anschlussbelegung Übersicht Anschluss Funktion X1 CANopen IN und OUT X2 Encoder und Hall-Sensor Anschluss X3 Digitale/analoge Ein- und Ausgänge X4 Bremsen-Anschluss X5 Motoranschluss X6 Spannungsversorgung X7 Micro USB-Anschluss S1 120 Ohm Terminierungswiderstand (Schalter auf ON) S2 Hex-Codierschalter für Node-ID und Baudrate, 16er Stelle (z.B. F0h) S3 Hex-Codierschalter für Node-ID und Baudrate, 1er Stelle (z.B. 0Fh) L1 Betriebs-LED Anmerkung: Alle Pins mit der Bezeichnung GND sind intern verbunden. X1 − CANopen IN und OUT Typ: RJ45-Buchse Pin 1 ist mit einem Stern "*" markiert. Beide Stecker sind identisch nach der nachfolgenden Tabelle konfiguriert. Pin Funktion Bemerkung 1 CAN_H CAN-High 2 CAN_L CAN-Low 3 CAN GND Intern verbunden mit Pin 7 4 n.c. 5 n.c. 6 CAN SHIELD Anschluss für die Schirmung 7 GND Intern verbunden mit Pin 3 8 +UB Logik 24 V DC Eingang, externe Logikversorgung für die Kommunikation, Eingangsspannung, Stromaufnahme ca. 36 mA Anmerkung: Die Logikversorgung hält bei Ausfall der Hauptversorgung die Elektronik, den Encoder und die Kommunikationsschnittstelle in Betrieb. Die Wicklungen des Motors werden nicht von der Logikversorgung versorgt. X2 − Encoder/Hall Sensor Typ: JST S12B-PADSS-1 Gegenstecker (im Lieferumfang nicht enthalten): Gehäuse: JST PADP-12V-1-S (oder äquivalent) Kontakte: JST SPH-001T-P0.5L (oder äquivalent) Passende Nanotec-Kabel (nicht im Lieferumfang enthalten): ZK-PADP-12-500-S ZK-M12-8-2M-2-PADP ZK-M12-12-2M-2-PADP ZK-NTO3-10-500-PADP / ZK-NTO3-10-1000-PADP ZK-NOE-10-500-S-PADP ZK-WEDL-500-S-PADP Pin 1 und Pin 2 sind im Bild markiert. Pin Funktion Bemerkung 1 GND 2 Vcc 5 V DC, Ausgangs- und Versorgungsspannung für Encoder / Hall Sensor; max. 200 mA 3 A 5 V Signal, max. 1 MHz 4 B 5 V Signal, max. 1 MHz 5 A\ 5 V Signal, max. 1 MHz 6 B\ 5 V Signal, max. 1 MHz 7 I 5 V Signal, max. 1 MHz 8 I\ 5 V Signal, max. 1 MHz 9 Hall 1 5 V Signal 10 Hall 2 5 V Signal 11 Hall 3 5 V Signal 12 Shielding Schirmung Anmerkung: Bei Verwendung eines Single-Ended-Encoders werden die Kanäle A/, B/ und I/ nicht ausgewertet! Damit ein Single-Ended-Encoder richtig erkannt wird: ► Setzen Sie das Objekt 2059h auf den Wert "2". ► Schließen Sie an die Pins A\, B\, I\ nichts an, legen Sie diese Pins ebenfalls nicht auf die Masse (GND). Es gelten folgende Schaltschwellen für die Encoder-Eingänge: Typ Schaltschwellen Ein Aus Single > 3,8 V < 0,26 V Differenz > 3,8 V < 0,26 V Die interne Beschaltung der Encoder-Eingänge ist nachfolgend dargestellt. X3 − Ein- und Ausgänge Typ: Phoenix Contact MC 0,5/12-G-2,5 Gegenstecker (im Lieferumfang enthalten): Phoenix Contact FK-MC 0,5/12-ST-2,5 (oder äquivalent) Nanotec-Artikelnummer: ZCPHOFK-MC0,5-12 Pin 1 ist mit einem Stern "*" markiert. Pin Funktion Bemerkung 1 +10 V DC Ausgangsspannung, max. 200 mA 2 Digitaler Eingang 1 5 V / 24 V Signal, umschaltbar per Software mit Objekt 3240h, max. 1 MHz; Takteingang in Takt-Richtungs-Modus 3 Digitaler Eingang 2 5 V / 24 V Signal, umschaltbar per Software mit Object 3240h, max. 1 MHz; Richtungseingang in Takt-Richtungs-Modus 4 Digitaler Eingang 3 5 V / 24 V Signal, umschaltbar per Software mit Objekt 3240h 5 Digitaler Eingang 4 5 V / 24 V Signal, umschaltbar per Software mit Objekt 3240h 6 Digitaler Eingang 5 5 V / 24 V Signal, umschaltbar per Software mit Objekt 3240h 7 Analoger Eingang 1 10 Bit, 0-10 V oder 0-20 mA, umschaltbar per Software mit Objekt 3221h 8 Analoger Eingang 2 10 Bit, 0-10 V, nicht umschaltbar per Software 9 Digitaler Ausgang 1 Open Drain, maximal 24 V / 100 mA 10 Digitaler Ausgang 2 Open Drain, maximal 24 V / 100 mA 11 Digitaler Ausgang 3 Open Drain, maximal 24 V / 100 mA 12 GND Für Eingang 1 bis 5 gelten folgende Schaltschwellen: Max. Spannung Schaltschwellen Ein Aus 5 V > 3,8 V < 0,26 V 24 V > 14,42 V < 4,16 V Für die Analogeingänge gilt folgendes: Konfiguration des Analogeingangs Eingangswiderstand (Maximalwert) Spannungseingang ca. 147 kOhm Stromeingang (Analogeingang 1 nur) bei 1 mA: ca. 350 Ohm Stromeingang (Analogeingang 1 nur) bei 20 mA: ca. 283 Ohm Anschlussdaten min max Leiterquerschnitt starr min 0,14 mm2 0,5 mm2 Leiterquerschnitt flexibel min. 0,14 mm2 0,5 mm2 Leiterquerschnitt flexibel m. Aderendhülse ohne Kunststoffhülse min 0,25 mm2 0,5 mm2 Leiterquerschnitt AWG min 26 20 AWG nach UL/CUL min 28 20 X4 − Bremsen-Anschluss Typ: Phoenix Contact MC 0,5/2-G-2,5 Gegenstecker (im Lieferumfang enthalten): Phoenix Contact FK-MC 0,5/2-ST-2,5 (oder äquivalent) Nanotec-Artikelnummer: ZCPHOFK-MC0,5-2 Pin 1 ist mit einem Stern "*" markiert. Pin Funktion Bemerkung 1 Bremse + Intern verbunden mit +UB 2 Bremse - PWM-gesteuerter Open-Drain Ausgang, max 1,5 A Anschlussdaten min max Leiterquerschnitt starr min 0,14 mm2 0,5 mm2 Leiterquerschnitt flexibel min. 0,14 mm2 0,5 mm2 Leiterquerschnitt flexibel m. Aderendhülse ohne Kunststoffhülse min 0,25 mm2 0,5 mm2 Leiterquerschnitt AWG min 26 20 AWG nach UL/CUL min 28 20 X5 − Motoranschluss Typ: Würth Elektronik 691313510004 Gegenstecker (im Lieferumfang enthalten): Würth Elektronik 691353500004 (oder äquivalent) Nanotec-Artikelnummer: ZCPHOFKC-2,5HC-4 Pin 1 ist mit einem Stern "*" markiert. Pin Funktion (Stepper) Funktion (BLDC) 1 A U 2 A\ V 3 B W 4 B\ nicht benutzt Anschlussdaten min max Leiterquerschnitt starr min 0,2 mm2 1,5 mm2 Leiterquerschnitt flexibel min. 0,2 mm2 1,5 mm2 Leiterquerschnitt flexibel m. Aderendhülse ohne Kunststoffhülse min 0,25 mm2 1,5 mm2 Leiterquerschnitt flexibel m. Aderendhülse m. Kunststoffhülse min 0,25 mm2 0,75 mm2 Leiterquerschnitt AWG min 24 16 AWG nach UL/CUL min 24 16 X6 − Spannungsversorgung Typ: Würth Elektronik 691313510002 Gegenstecker (im Lieferumfang enthalten): Würth Elektronik 691353500002 (oder äquivalent) Nanotec-Artikelnummer: ZCPHOFKC-2,5HC-2 Spannungsquelle Die Betriebs- oder Versorgungsspannung liefert eine Batterie, ein Transformator mit Gleichrichtung und Siebung, oder ein Schaltnetzteil. Anmerkung: EMV: Bei einer DC-Stromversorgungsleitung mit einer Länge von >30 m oder Verwendung des Motors an einem DC-Bus sind zusätzliche Entstör- und Schutzmaßnahmen notwendig. ► Ein EMI-Filter ist in die DC-Zuleitung mit möglichst geringem Abstand zur Steuerung/Motor einzufügen. ► Lange Daten- oder Versorgungsleitungen sind durch Ferrite zu führen. Anschlüsse Pin 1 ist mit einem Stern "*" markiert. Pin Funktion Bemerkung 1 +UB 12 V - 48 V DC, ±5% 2 GND Anschlussdaten min max Leiterquerschnitt starr min 0,2 mm2 1,5 mm2 Leiterquerschnitt flexibel min. 0,2 mm2 1,5 mm2 Leiterquerschnitt flexibel m. Aderendhülse ohne Kunststoffhülse min 0,25 mm2 1,5 mm2 Leiterquerschnitt flexibel m. Aderendhülse m. Kunststoffhülse min 0,25 mm2 0,75 mm2 Leiterquerschnitt AWG min 24 16 AWG nach UL/CUL min 24 16 Zulässige Betriebsspannung Die maximale Betriebsspannung beträgt 50,4 V DC. Steigt die Eingangsspannung der Steuerung über den in 2034h eingestellten Schwellwert, wird der Motor abgeschaltet und ein Fehler ausgelöst. Ab der in 4021h:02h eingestellten Ansprechschwelle wird die integrierte Ballast-Schaltung aktiviert (Drahtwiderstand CR257-05T15R von VITROHM mit 5 W Dauerleistung). Die minimale Betriebsspannung beträgt 11,4 V DC. Fällt die Eingangsspannung der Steuerung unter 10 V, wird der Motor abgeschaltet und ein Fehler ausgelöst. Ein Ladekondensator von mindestens 4700 µF / 50 V (ca. 1000 µF pro Ampere Nennstrom) muss parallel an die Versorgungsspannung angeschlossen werden, um ein Überschreiten der zulässigen Betriebsspannung (z.B. beim Bremsvorgang) zu vermeiden. X7 − Micro USB Für diesen USB-Anschluss wird ein Kabel des Typs "Micro-USB" benötigt. S1 − Terminierungswiderstand Dieser DIP-Schalter schaltet die Terminierung von 120 Ω zwischen CAN_H und CAN_L des CAN-Busses (siehe X1 − CANopen IN und OUT) zu oder ab. Die Schalterstellung "unten" schaltet die Terminierung zu. S2 − CANopen Node-ID und Baudrate Zum Einstellen der CANopen Node-ID. Der Wert dieses Schalters wird mit 16 multipliziert und zum Wert des Schalters S3 addiert, damit stellt dieser Schalter die sechzehner Stelle. S3 − CANopen Node-ID und Baudrate Zum Einstellen der CANopen Node-ID. Der Wert dieses Schalters wird zum Wert des Schalters S2 addiert, damit stellt dieser Schalter die einer Stelle. Beispiel Schalter S2 steht auf dem Wert 1h, Schalter S3 auf dem Wert Fh, daraus ergibt sich der Wert 1Fh für die Node-ID.
Übersicht Anschluss Funktion X1 CANopen IN und OUT X2 Encoder und Hall-Sensor Anschluss X3 Digitale/analoge Ein- und Ausgänge X4 Bremsen-Anschluss X5 Motoranschluss X6 Spannungsversorgung X7 Micro USB-Anschluss S1 120 Ohm Terminierungswiderstand (Schalter auf ON) S2 Hex-Codierschalter für Node-ID und Baudrate, 16er Stelle (z.B. F0h) S3 Hex-Codierschalter für Node-ID und Baudrate, 1er Stelle (z.B. 0Fh) L1 Betriebs-LED Anmerkung: Alle Pins mit der Bezeichnung GND sind intern verbunden.
X1 − CANopen IN und OUT Typ: RJ45-Buchse Pin 1 ist mit einem Stern "*" markiert. Beide Stecker sind identisch nach der nachfolgenden Tabelle konfiguriert. Pin Funktion Bemerkung 1 CAN_H CAN-High 2 CAN_L CAN-Low 3 CAN GND Intern verbunden mit Pin 7 4 n.c. 5 n.c. 6 CAN SHIELD Anschluss für die Schirmung 7 GND Intern verbunden mit Pin 3 8 +UB Logik 24 V DC Eingang, externe Logikversorgung für die Kommunikation, Eingangsspannung, Stromaufnahme ca. 36 mA Anmerkung: Die Logikversorgung hält bei Ausfall der Hauptversorgung die Elektronik, den Encoder und die Kommunikationsschnittstelle in Betrieb. Die Wicklungen des Motors werden nicht von der Logikversorgung versorgt.
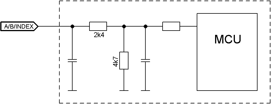
X2 − Encoder/Hall Sensor Typ: JST S12B-PADSS-1 Gegenstecker (im Lieferumfang nicht enthalten): Gehäuse: JST PADP-12V-1-S (oder äquivalent) Kontakte: JST SPH-001T-P0.5L (oder äquivalent) Passende Nanotec-Kabel (nicht im Lieferumfang enthalten): ZK-PADP-12-500-S ZK-M12-8-2M-2-PADP ZK-M12-12-2M-2-PADP ZK-NTO3-10-500-PADP / ZK-NTO3-10-1000-PADP ZK-NOE-10-500-S-PADP ZK-WEDL-500-S-PADP Pin 1 und Pin 2 sind im Bild markiert. Pin Funktion Bemerkung 1 GND 2 Vcc 5 V DC, Ausgangs- und Versorgungsspannung für Encoder / Hall Sensor; max. 200 mA 3 A 5 V Signal, max. 1 MHz 4 B 5 V Signal, max. 1 MHz 5 A\ 5 V Signal, max. 1 MHz 6 B\ 5 V Signal, max. 1 MHz 7 I 5 V Signal, max. 1 MHz 8 I\ 5 V Signal, max. 1 MHz 9 Hall 1 5 V Signal 10 Hall 2 5 V Signal 11 Hall 3 5 V Signal 12 Shielding Schirmung Anmerkung: Bei Verwendung eines Single-Ended-Encoders werden die Kanäle A/, B/ und I/ nicht ausgewertet! Damit ein Single-Ended-Encoder richtig erkannt wird: ► Setzen Sie das Objekt 2059h auf den Wert "2". ► Schließen Sie an die Pins A\, B\, I\ nichts an, legen Sie diese Pins ebenfalls nicht auf die Masse (GND). Es gelten folgende Schaltschwellen für die Encoder-Eingänge: Typ Schaltschwellen Ein Aus Single > 3,8 V < 0,26 V Differenz > 3,8 V < 0,26 V Die interne Beschaltung der Encoder-Eingänge ist nachfolgend dargestellt.
X3 − Ein- und Ausgänge Typ: Phoenix Contact MC 0,5/12-G-2,5 Gegenstecker (im Lieferumfang enthalten): Phoenix Contact FK-MC 0,5/12-ST-2,5 (oder äquivalent) Nanotec-Artikelnummer: ZCPHOFK-MC0,5-12 Pin 1 ist mit einem Stern "*" markiert. Pin Funktion Bemerkung 1 +10 V DC Ausgangsspannung, max. 200 mA 2 Digitaler Eingang 1 5 V / 24 V Signal, umschaltbar per Software mit Objekt 3240h, max. 1 MHz; Takteingang in Takt-Richtungs-Modus 3 Digitaler Eingang 2 5 V / 24 V Signal, umschaltbar per Software mit Object 3240h, max. 1 MHz; Richtungseingang in Takt-Richtungs-Modus 4 Digitaler Eingang 3 5 V / 24 V Signal, umschaltbar per Software mit Objekt 3240h 5 Digitaler Eingang 4 5 V / 24 V Signal, umschaltbar per Software mit Objekt 3240h 6 Digitaler Eingang 5 5 V / 24 V Signal, umschaltbar per Software mit Objekt 3240h 7 Analoger Eingang 1 10 Bit, 0-10 V oder 0-20 mA, umschaltbar per Software mit Objekt 3221h 8 Analoger Eingang 2 10 Bit, 0-10 V, nicht umschaltbar per Software 9 Digitaler Ausgang 1 Open Drain, maximal 24 V / 100 mA 10 Digitaler Ausgang 2 Open Drain, maximal 24 V / 100 mA 11 Digitaler Ausgang 3 Open Drain, maximal 24 V / 100 mA 12 GND Für Eingang 1 bis 5 gelten folgende Schaltschwellen: Max. Spannung Schaltschwellen Ein Aus 5 V > 3,8 V < 0,26 V 24 V > 14,42 V < 4,16 V Für die Analogeingänge gilt folgendes: Konfiguration des Analogeingangs Eingangswiderstand (Maximalwert) Spannungseingang ca. 147 kOhm Stromeingang (Analogeingang 1 nur) bei 1 mA: ca. 350 Ohm Stromeingang (Analogeingang 1 nur) bei 20 mA: ca. 283 Ohm Anschlussdaten min max Leiterquerschnitt starr min 0,14 mm2 0,5 mm2 Leiterquerschnitt flexibel min. 0,14 mm2 0,5 mm2 Leiterquerschnitt flexibel m. Aderendhülse ohne Kunststoffhülse min 0,25 mm2 0,5 mm2 Leiterquerschnitt AWG min 26 20 AWG nach UL/CUL min 28 20
X4 − Bremsen-Anschluss Typ: Phoenix Contact MC 0,5/2-G-2,5 Gegenstecker (im Lieferumfang enthalten): Phoenix Contact FK-MC 0,5/2-ST-2,5 (oder äquivalent) Nanotec-Artikelnummer: ZCPHOFK-MC0,5-2 Pin 1 ist mit einem Stern "*" markiert. Pin Funktion Bemerkung 1 Bremse + Intern verbunden mit +UB 2 Bremse - PWM-gesteuerter Open-Drain Ausgang, max 1,5 A Anschlussdaten min max Leiterquerschnitt starr min 0,14 mm2 0,5 mm2 Leiterquerschnitt flexibel min. 0,14 mm2 0,5 mm2 Leiterquerschnitt flexibel m. Aderendhülse ohne Kunststoffhülse min 0,25 mm2 0,5 mm2 Leiterquerschnitt AWG min 26 20 AWG nach UL/CUL min 28 20
X5 − Motoranschluss Typ: Würth Elektronik 691313510004 Gegenstecker (im Lieferumfang enthalten): Würth Elektronik 691353500004 (oder äquivalent) Nanotec-Artikelnummer: ZCPHOFKC-2,5HC-4 Pin 1 ist mit einem Stern "*" markiert. Pin Funktion (Stepper) Funktion (BLDC) 1 A U 2 A\ V 3 B W 4 B\ nicht benutzt Anschlussdaten min max Leiterquerschnitt starr min 0,2 mm2 1,5 mm2 Leiterquerschnitt flexibel min. 0,2 mm2 1,5 mm2 Leiterquerschnitt flexibel m. Aderendhülse ohne Kunststoffhülse min 0,25 mm2 1,5 mm2 Leiterquerschnitt flexibel m. Aderendhülse m. Kunststoffhülse min 0,25 mm2 0,75 mm2 Leiterquerschnitt AWG min 24 16 AWG nach UL/CUL min 24 16
X6 − Spannungsversorgung Typ: Würth Elektronik 691313510002 Gegenstecker (im Lieferumfang enthalten): Würth Elektronik 691353500002 (oder äquivalent) Nanotec-Artikelnummer: ZCPHOFKC-2,5HC-2 Spannungsquelle Die Betriebs- oder Versorgungsspannung liefert eine Batterie, ein Transformator mit Gleichrichtung und Siebung, oder ein Schaltnetzteil. Anmerkung: EMV: Bei einer DC-Stromversorgungsleitung mit einer Länge von >30 m oder Verwendung des Motors an einem DC-Bus sind zusätzliche Entstör- und Schutzmaßnahmen notwendig. ► Ein EMI-Filter ist in die DC-Zuleitung mit möglichst geringem Abstand zur Steuerung/Motor einzufügen. ► Lange Daten- oder Versorgungsleitungen sind durch Ferrite zu führen. Anschlüsse Pin 1 ist mit einem Stern "*" markiert. Pin Funktion Bemerkung 1 +UB 12 V - 48 V DC, ±5% 2 GND Anschlussdaten min max Leiterquerschnitt starr min 0,2 mm2 1,5 mm2 Leiterquerschnitt flexibel min. 0,2 mm2 1,5 mm2 Leiterquerschnitt flexibel m. Aderendhülse ohne Kunststoffhülse min 0,25 mm2 1,5 mm2 Leiterquerschnitt flexibel m. Aderendhülse m. Kunststoffhülse min 0,25 mm2 0,75 mm2 Leiterquerschnitt AWG min 24 16 AWG nach UL/CUL min 24 16 Zulässige Betriebsspannung Die maximale Betriebsspannung beträgt 50,4 V DC. Steigt die Eingangsspannung der Steuerung über den in 2034h eingestellten Schwellwert, wird der Motor abgeschaltet und ein Fehler ausgelöst. Ab der in 4021h:02h eingestellten Ansprechschwelle wird die integrierte Ballast-Schaltung aktiviert (Drahtwiderstand CR257-05T15R von VITROHM mit 5 W Dauerleistung). Die minimale Betriebsspannung beträgt 11,4 V DC. Fällt die Eingangsspannung der Steuerung unter 10 V, wird der Motor abgeschaltet und ein Fehler ausgelöst. Ein Ladekondensator von mindestens 4700 µF / 50 V (ca. 1000 µF pro Ampere Nennstrom) muss parallel an die Versorgungsspannung angeschlossen werden, um ein Überschreiten der zulässigen Betriebsspannung (z.B. beim Bremsvorgang) zu vermeiden.
Spannungsquelle Die Betriebs- oder Versorgungsspannung liefert eine Batterie, ein Transformator mit Gleichrichtung und Siebung, oder ein Schaltnetzteil. Anmerkung: EMV: Bei einer DC-Stromversorgungsleitung mit einer Länge von >30 m oder Verwendung des Motors an einem DC-Bus sind zusätzliche Entstör- und Schutzmaßnahmen notwendig. ► Ein EMI-Filter ist in die DC-Zuleitung mit möglichst geringem Abstand zur Steuerung/Motor einzufügen. ► Lange Daten- oder Versorgungsleitungen sind durch Ferrite zu führen.
Anschlüsse Pin 1 ist mit einem Stern "*" markiert. Pin Funktion Bemerkung 1 +UB 12 V - 48 V DC, ±5% 2 GND Anschlussdaten min max Leiterquerschnitt starr min 0,2 mm2 1,5 mm2 Leiterquerschnitt flexibel min. 0,2 mm2 1,5 mm2 Leiterquerschnitt flexibel m. Aderendhülse ohne Kunststoffhülse min 0,25 mm2 1,5 mm2 Leiterquerschnitt flexibel m. Aderendhülse m. Kunststoffhülse min 0,25 mm2 0,75 mm2 Leiterquerschnitt AWG min 24 16 AWG nach UL/CUL min 24 16
Zulässige Betriebsspannung Die maximale Betriebsspannung beträgt 50,4 V DC. Steigt die Eingangsspannung der Steuerung über den in 2034h eingestellten Schwellwert, wird der Motor abgeschaltet und ein Fehler ausgelöst. Ab der in 4021h:02h eingestellten Ansprechschwelle wird die integrierte Ballast-Schaltung aktiviert (Drahtwiderstand CR257-05T15R von VITROHM mit 5 W Dauerleistung). Die minimale Betriebsspannung beträgt 11,4 V DC. Fällt die Eingangsspannung der Steuerung unter 10 V, wird der Motor abgeschaltet und ein Fehler ausgelöst. Ein Ladekondensator von mindestens 4700 µF / 50 V (ca. 1000 µF pro Ampere Nennstrom) muss parallel an die Versorgungsspannung angeschlossen werden, um ein Überschreiten der zulässigen Betriebsspannung (z.B. beim Bremsvorgang) zu vermeiden.
S1 − Terminierungswiderstand Dieser DIP-Schalter schaltet die Terminierung von 120 Ω zwischen CAN_H und CAN_L des CAN-Busses (siehe X1 − CANopen IN und OUT) zu oder ab. Die Schalterstellung "unten" schaltet die Terminierung zu.
S2 − CANopen Node-ID und Baudrate Zum Einstellen der CANopen Node-ID. Der Wert dieses Schalters wird mit 16 multipliziert und zum Wert des Schalters S3 addiert, damit stellt dieser Schalter die sechzehner Stelle.
S3 − CANopen Node-ID und Baudrate Zum Einstellen der CANopen Node-ID. Der Wert dieses Schalters wird zum Wert des Schalters S2 addiert, damit stellt dieser Schalter die einer Stelle. Beispiel Schalter S2 steht auf dem Wert 1h, Schalter S3 auf dem Wert Fh, daraus ergibt sich der Wert 1Fh für die Node-ID.