Anschließen der Steuerung Anmerkung: EMV: Stromführende Leitungen – insbesondere um Versorgungs- und Motorenleitungen – erzeugen elektromagnetische Wechselfelder. Diese können den Motor und andere Geräte stören. Geeignete Maßnahmen können sein: ► Geschirmte Leitungen verwenden und den Leitungsschirm beidseitig auf kurzem Weg erden. ► Stromversorgungs- und Motorleitungen so kurz wie möglich halten. ► Kabel mit paarweise verdrillten Adern verwenden. ► Motorgehäuse großflächig auf kurzem Weg erden. ► Versorgungs-, Motor- und Steuerleitungen getrennt verlegen. Integrieren der CPB in ein Motherboard Die minimale Beschaltung variiert je nach Motortyp und vorhandener Rückführung (Schritt- oder BLDC-Motor, Hallsensoren/Encoder). Zur Inbetriebnahme ist der Anschluss der Spannungsversorgung (X1 — Spannungsversorgung und Motor), des Motors und eines CANopen-Transceivers ausreichend. Die folgende Tabelle zeigt die notwendigen Spannungsschienen und die Anforderungen, die Ihr Motherboard für diese erfüllen soll. Bei der Berechnung des Stromverbrauchs wurde eine niedrige Effizienz von 80% angenommen für die Abwärtswandler. Spannungs- Schiene Verwendet für Stromverbrauch Ripple erlaubt Toleranz der regulierten Spannung Empfohlene Topologie +10-12V Gate-Drivers, +3.3V, +5V 70…160 mA 100 mV p-p Abwärtswandler von Hauptversorgung UB +5V Encoder/ Hall, +3.3V 150 mA max. 100 mV p-p Abwärtswandler von +10-12V +3.3V MCU 140 mA min. +/-3% Low-Droput-Regler (LDO) Anmerkung: Ein Verpolungsschutz ist nicht vorhanden. Installieren Sie eine Sicherung in die Zuleitung, dimensioniert entsprechend dem Stromverbrauch in Ihrer Applikation. Schalter für Kommunikationseinstellungen anschließen Sie können zwei Drehschalter an die vorgesehenen Pins der Steuerung anschließen, worüber Sie die Kommunikationsparameter einstellen. Die Beschaltung muss exakt der unten vorgegebenen Referenzschaltung entsprechen. Die drei dafür vorgesehenen Pins sind Pin 28 (MISO), Pin 30 (SCK) und Pin 33 (SH/LD). Anmerkung: Verwenden Sie den Schieberegister 74HC165D oder ein äquivalentes Produkt. Legen Sie Pin 10 auf die 3,3-Volt-Versorgung via Pullup-Widerstand, damit die Steuerung die Schaltung detektieren kann. Wenn Sie keine Drehschalter verwenden möchten, schließen Sie nichts an die drei vorgesehenen Pins: MISO (Pin 28), SCK (Pin 30) und SH/LD (Pin 33). Damit die Steuerung die Drehschalter detektiert und verwendet, müssen Sie den Wert "1" ins Objekt 2104h:01h schreiben (im Auslieferungszustand der Fall). Ist der Wert des Objekts "0", werden die in den entsprechenden Objekten gespeicherten Werte verwendet. Die Objekte und die möglichen Kombinationen finden Sie im Kapitel Konfiguration über CANopen.
Anschließen der Steuerung Anmerkung: EMV: Stromführende Leitungen – insbesondere um Versorgungs- und Motorenleitungen – erzeugen elektromagnetische Wechselfelder. Diese können den Motor und andere Geräte stören. Geeignete Maßnahmen können sein: ► Geschirmte Leitungen verwenden und den Leitungsschirm beidseitig auf kurzem Weg erden. ► Stromversorgungs- und Motorleitungen so kurz wie möglich halten. ► Kabel mit paarweise verdrillten Adern verwenden. ► Motorgehäuse großflächig auf kurzem Weg erden. ► Versorgungs-, Motor- und Steuerleitungen getrennt verlegen. Integrieren der CPB in ein Motherboard Die minimale Beschaltung variiert je nach Motortyp und vorhandener Rückführung (Schritt- oder BLDC-Motor, Hallsensoren/Encoder). Zur Inbetriebnahme ist der Anschluss der Spannungsversorgung (X1 — Spannungsversorgung und Motor), des Motors und eines CANopen-Transceivers ausreichend. Die folgende Tabelle zeigt die notwendigen Spannungsschienen und die Anforderungen, die Ihr Motherboard für diese erfüllen soll. Bei der Berechnung des Stromverbrauchs wurde eine niedrige Effizienz von 80% angenommen für die Abwärtswandler. Spannungs- Schiene Verwendet für Stromverbrauch Ripple erlaubt Toleranz der regulierten Spannung Empfohlene Topologie +10-12V Gate-Drivers, +3.3V, +5V 70…160 mA 100 mV p-p Abwärtswandler von Hauptversorgung UB +5V Encoder/ Hall, +3.3V 150 mA max. 100 mV p-p Abwärtswandler von +10-12V +3.3V MCU 140 mA min. +/-3% Low-Droput-Regler (LDO) Anmerkung: Ein Verpolungsschutz ist nicht vorhanden. Installieren Sie eine Sicherung in die Zuleitung, dimensioniert entsprechend dem Stromverbrauch in Ihrer Applikation. Schalter für Kommunikationseinstellungen anschließen Sie können zwei Drehschalter an die vorgesehenen Pins der Steuerung anschließen, worüber Sie die Kommunikationsparameter einstellen. Die Beschaltung muss exakt der unten vorgegebenen Referenzschaltung entsprechen. Die drei dafür vorgesehenen Pins sind Pin 28 (MISO), Pin 30 (SCK) und Pin 33 (SH/LD). Anmerkung: Verwenden Sie den Schieberegister 74HC165D oder ein äquivalentes Produkt. Legen Sie Pin 10 auf die 3,3-Volt-Versorgung via Pullup-Widerstand, damit die Steuerung die Schaltung detektieren kann. Wenn Sie keine Drehschalter verwenden möchten, schließen Sie nichts an die drei vorgesehenen Pins: MISO (Pin 28), SCK (Pin 30) und SH/LD (Pin 33). Damit die Steuerung die Drehschalter detektiert und verwendet, müssen Sie den Wert "1" ins Objekt 2104h:01h schreiben (im Auslieferungszustand der Fall). Ist der Wert des Objekts "0", werden die in den entsprechenden Objekten gespeicherten Werte verwendet. Die Objekte und die möglichen Kombinationen finden Sie im Kapitel Konfiguration über CANopen.
Integrieren der CPB in ein Motherboard Die minimale Beschaltung variiert je nach Motortyp und vorhandener Rückführung (Schritt- oder BLDC-Motor, Hallsensoren/Encoder). Zur Inbetriebnahme ist der Anschluss der Spannungsversorgung (X1 — Spannungsversorgung und Motor), des Motors und eines CANopen-Transceivers ausreichend. Die folgende Tabelle zeigt die notwendigen Spannungsschienen und die Anforderungen, die Ihr Motherboard für diese erfüllen soll. Bei der Berechnung des Stromverbrauchs wurde eine niedrige Effizienz von 80% angenommen für die Abwärtswandler. Spannungs- Schiene Verwendet für Stromverbrauch Ripple erlaubt Toleranz der regulierten Spannung Empfohlene Topologie +10-12V Gate-Drivers, +3.3V, +5V 70…160 mA 100 mV p-p Abwärtswandler von Hauptversorgung UB +5V Encoder/ Hall, +3.3V 150 mA max. 100 mV p-p Abwärtswandler von +10-12V +3.3V MCU 140 mA min. +/-3% Low-Droput-Regler (LDO) Anmerkung: Ein Verpolungsschutz ist nicht vorhanden. Installieren Sie eine Sicherung in die Zuleitung, dimensioniert entsprechend dem Stromverbrauch in Ihrer Applikation.
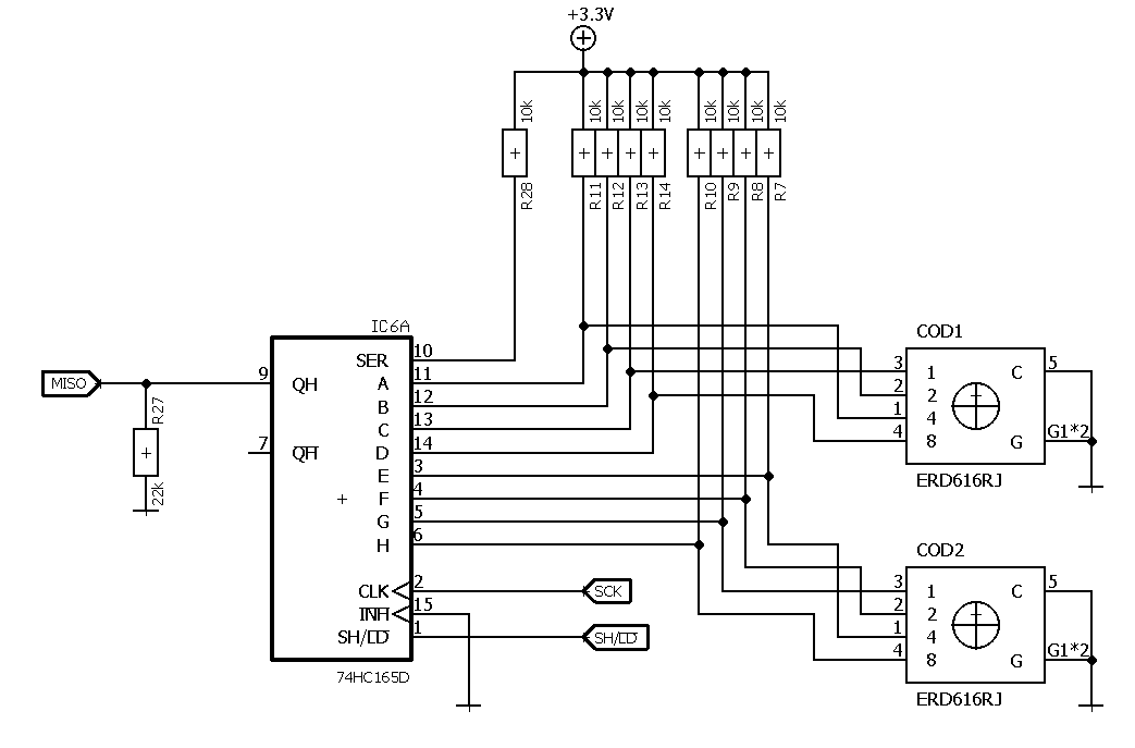
Schalter für Kommunikationseinstellungen anschließen Sie können zwei Drehschalter an die vorgesehenen Pins der Steuerung anschließen, worüber Sie die Kommunikationsparameter einstellen. Die Beschaltung muss exakt der unten vorgegebenen Referenzschaltung entsprechen. Die drei dafür vorgesehenen Pins sind Pin 28 (MISO), Pin 30 (SCK) und Pin 33 (SH/LD). Anmerkung: Verwenden Sie den Schieberegister 74HC165D oder ein äquivalentes Produkt. Legen Sie Pin 10 auf die 3,3-Volt-Versorgung via Pullup-Widerstand, damit die Steuerung die Schaltung detektieren kann. Wenn Sie keine Drehschalter verwenden möchten, schließen Sie nichts an die drei vorgesehenen Pins: MISO (Pin 28), SCK (Pin 30) und SH/LD (Pin 33). Damit die Steuerung die Drehschalter detektiert und verwendet, müssen Sie den Wert "1" ins Objekt 2104h:01h schreiben (im Auslieferungszustand der Fall). Ist der Wert des Objekts "0", werden die in den entsprechenden Objekten gespeicherten Werte verwendet. Die Objekte und die möglichen Kombinationen finden Sie im Kapitel Konfiguration über CANopen.