C5-E EtherNetIP/USB Online Manual

Pin assignment

Overview

Connection Function
X1 EtherNet/IP™
X2 Encoder and Hall sensor connection
X3 Digital/analog inputs and outputs
X4 Brake connection
X5 Motor connection
X6 Voltage supply
X7 Micro USB connection
L1 Power LED
Note: All pins with designation GND are internally connected.

X1 – EtherNet/IP

Type: RJ45 socket

Pin 1 is marked with an asterisk "*".

Note: The second Ethernet port is not connected and is provided for reasons of hardware compatibility only.

Note: The most frequently used network topology is the star topology. All nodes are connected to a central node (e.g. via an Ethernet switch) by means of a point‑to‑point connection.
Pin Function Note
1 Tx+
2 Tx-
3 Rx+
4 n.c.
5 n.c.
6 Rx-
7 n.c.
8 n.c.

X2 – encoder/Hall sensor

  • Type: JST S12B-PADSS-1
  • Mating connector (not included in scope of delivery):
    • Housing: JST PADP-12V-1-S (or equivalent)
    • Contacts: JST SPH-001T-P0.5L (or equivalent)
  • Suitable Nanotec cables (not included in the scope of delivery):
    • ZK-PADP-12-500-S
    • ZK-M12-8-2M-2-PADP
    • ZK-M12-12-2M-2-PADP
    • ZK-NTO3-10-500-PADP / ZK-NTO3-10-1000-PADP
    • ZK-NOE-10-500-S-PADP
    • ZK-WEDL-500-S-PADP

Pin 1 and pin 2 are marked in the figure.

Pin Function Note
1 GND
2 Vcc 5 V DC, output and supply voltage for encoder / Hall sensor; max. 200 mA
3 A 5 V signal, max. 1 MHz
4 B 5 V signal, max. 1 MHz
5 A\ 5 V signal, max. 1 MHz
6 B\ 5 V signal, max. 1 MHz
7 I 5 V signal, max. 1 MHz
8 I\ 5 V signal, max. 1 MHz
9 Hall 1 5 V signal
10 Hall 2 5 V signal
11 Hall 3 5 V signal
12 Shielding Shielding
Note:
  • If a single-ended encoder is used, channels A/, B/ and I/ are not evaluated!
  • To ensure that a single-ended encoder is correctly detected:
  • ► Set the object 2059h to the value "2".
  • ► Do not connect anything to pins A\, B\, I\, and do not connect these pins to ground (GND).

The following switching thresholds apply for the encoder inputs:

Type Switching thresholds
On Off
Single > 3.8 V < 0.26 V
Difference > 3.8 V < 0.26 V

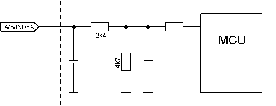
The internal wiring of the encoder inputs is shown in the following.

X3 – inputs and outputs

  • Type: Phoenix Contact MC 0.5/12-G-2.5
  • Mating connector (included in scope of delivery): Phoenix Contact FK-MCP 0.5/12-ST-2.5 (or equivalent)
  • Nanotec article number: ZCPHOFK-MC0,5-12

Pin 1 is marked with an asterisk "*".

Pin Function Note
1 +10 V DC Output voltage, max. 200 mA
2 Digital input 1 5 V / 24 V signal, switchable by means of software with object 3240h, max. 1 MHz; clock input in clock-direction mode
3 Digital input 2 5 V / 24 V signal, switchable by means of software with object 3240h, max. 1 MHz; direction input in clock-direction mode
4 Digital input 3 5 V / 24 V signal, switchable by means of software with object 3240h
5 Digital input 4 5 V / 24 V signal, switchable by means of software with object 3240h
6 Digital input 5 5 V / 24 V signal, switchable by means of software with object 3240h
7 Analog input 1 10 bit, 0-10 V or 0-20 mA, switchable by means of software with object 3221h
8 Analog input 2 10 bit, 0-10 V, not switchable by means of software
9 Digital output 1 Open drain, maximum 24 V / 100 mA
10 Digital output 2 Open drain, maximum 24 V / 100 mA
11 Digital output 3 Open drain, maximum 24 V / 100 mA
12 GND
The following switching thresholds apply for inputs 1 to 5:
Max. Voltage Switching thresholds
On Off
5 V > 3.8 V < 0.26 V
24 V > 14.42 V < 4.16 V

The following applies for the analog inputs:

Configuration of analog input Input resistance (maximum value)
Voltage input approx. 147 kOhm
Current input (analog input 1 only) at 1 mA: approx. 350 ohm
Current input (analog input 1 only) at 20 mA: approx. 283 ohm
Connection data min max
Conductor cross section, rigid, min. 0.14 mm2 0.5 mm2
Conductor cross section, flexible, min. 0.14 mm2 0.5 mm2
Conductor cross section, flexible, min. Wire-end sleeve without plastic sleeve, min. 0.25 mm2 0.5 mm2
Conductor cross section, min. AWG 26 20
Min. AWG acc. to UL/CUL 28 20

X4 – brake connection

  • Type: Phoenix Contact MC 0.5/2-G-2.5
  • Mating connector (included in scope of delivery): Phoenix Contact FK-MCP 0.5/2-ST-2.5 (or equivalent)
  • Nanotec article number: ZCPHOFK-MC0,5-2

Pin 1 is marked with an asterisk "*".

Pin Function Note
1 Brake + Internally connected to +UB
2 Brake - PWM-controlled open-drain output, max. 1.5 A
Connection data min max
Conductor cross section, rigid, min. 0.14 mm2 0.5 mm2
Conductor cross section, flexible, min. 0.14 mm2 0.5 mm2
Conductor cross section, flexible, min. Wire-end sleeve without plastic sleeve, min. 0.25 mm2 0.5 mm2
Conductor cross section, min. AWG 26 20
Min. AWG acc. to UL/CUL 28 20

X5 – motor connection

  • Type: Würth Elektronik 691313510004
  • Mating connector (included in scope of delivery): Würth Elektronik 691353500004 (or equivalent)
  • Nanotec article number: ZCPHOFKC-2,5HC-4

Pin 1 is marked with an asterisk "*".

Pin Function (Stepper) Function (BLDC)
1 A U
2 A\ V
3 B W
4 B\ Not used
Connection data min max
Conductor cross section, rigid, min. 0.2 mm2 1.5 mm2
Conductor cross section, flexible, min. 0.2 mm2 1.5 mm2
Conductor cross section, flexible, min. Wire-end sleeve without plastic sleeve, min. 0.25 mm2 1.5 mm2
Conductor cross section, flexible, min. Wire-end sleeve min. Plastic sleeve min. 0.25 mm2 0.75 mm2
Conductor cross section, min. AWG 24 16
Min. AWG acc. to UL/CUL 24 16

X6 – voltage supply

  • Type: Würth Elektronik 691313510002
  • Mating connector (included in scope of delivery): Würth Elektronik 691353500002 (or equivalent)
  • Nanotec article number: ZCPHOFKC-2,5HC-2

Voltage source

The operating or supply voltage supplies a battery, a transformer with rectification and filtering, or a switching power supply.

Note:
  • EMC: For a DC power supply line longer than 30 m or when using the motor on a DC bus, additional interference-suppression and protection measures are necessary.
  • ► An EMI filter is to be inserted in the DC supply line as close as possible to the controller/motor.
  • ► Long data or supply lines are to be routed through ferrites.

Connections

Pin 1 is marked with an asterisk "*".

Pin Function Note
1 +UB 12 V - 48 V DC, ±5%
2 GND
Connection data min max
Conductor cross section, rigid, min. 0.2 mm2 1.5 mm2
Conductor cross section, flexible, min. 0.2 mm2 1.5 mm2
Conductor cross section, flexible, min. Wire-end sleeve without plastic sleeve, min. 0.25 mm2 1.5 mm2
Conductor cross section, flexible, min. Wire-end sleeve min. Plastic sleeve min. 0.25 mm2 0.75 mm2
Conductor cross section, min. AWG 24 16
Min. AWG acc. to UL/CUL 24 16

Permissible operating voltage

The maximum operating voltage is 50.4 V DC. If the input voltage of the controller exceeds the threshold value set in 2034h, the motor is switched off and an error triggered. Above the response threshold set in 4021h:02h, the integrated ballast circuit is activated (wirewound resistor CR257-05T15R from VITROHM with 5 W continuous output).

The minimum operating voltage is 11.4 V DC. If the input voltage of the controller falls below 10 V, the motor is switched off and an error triggered.

A charging capacitor of at least 4700 µF / 50 V (approx. 1000 µF per ampere rated current) must be connected in parallel to the supply voltage to avoid exceeding the permissible operating voltage (e.g., during braking).

X7 − Micro USB

A cable of type "micro USB" is needed for this USB connection.

▶   next

Contents