DF32M024027-A –  Bürstenloser DC-Flachmotor

Einzelpreis

Mindestbestellmenge {{ pna.data.minimumOrderQuantity }} St.
Für Testzwecke sind die Motoren auf Anfrage auch einzeln erhältlich.

Mengenrabatt

1 - {{ pna.data.discounts[0].amount - 1 }}
{{ discount.amount }}+

Verfügbarkeit

Artikel Kombinieren

Flacher Außenläufermotor mit 32 mm Durchmesser und 7,4 W Nennleistung. Um den Motor platzsparend und schnell anzuschließen, kann die dazu passende ZIF-Buchsenleiste direkt auf eine Steuerungsplatine designt werden. 

  • Nenndrehzahl 2.760 U/min
  • 24 V Nennspannung
  • 8-polige Bauweise
  • hohe Laufruhe bei niedrigen Drehzahlen
  • Flachbandleitung (FPC)

Eine Adapterplatine für Testzwecke ist als Zubehör erhältlich. 

Der DF32 eignet sich für ein breites Einsatzspektrum und bietet vor allem bei Serienanwendungen eine äußerst wirtschaftliche Lösung.

Hinweis:
Um diesen Motor mit einer Steuerung von Nanotec (z.B. CL3-E) zu verbinden, benötigen Sie eine Zusatzplatine zur Adaption der Flachbandleitung auf Litzen. 

Einen passenden Motorcontroller finden Sie hier.

Bitte klicken Sie auf "Artikel kombinieren" oder das Pluszeichen, um den Konfigurator zu starten.

Technische Daten

  • Nennstrom 0.5 A
  • Induktivität (Line to Line) 4.86 mH
  • Drehmomentkonstante 5.1 Ncm/A
  • Motoranschluss FCP 
  • Spitzenmoment
  • Nennleistung 7.4 W
  • Nenndrehzahl 2760 U/min
  • Größe
  • Widerstand (Line to Line) 13.7 Ohm
  • Rotorträgheitsmoment 35 gcm²
  • Gewicht
  • Spitzenstrom 1.5 A
  • Länge "A"
  • Nennmoment
  • Nennspannung 24 V
  • Encoder  

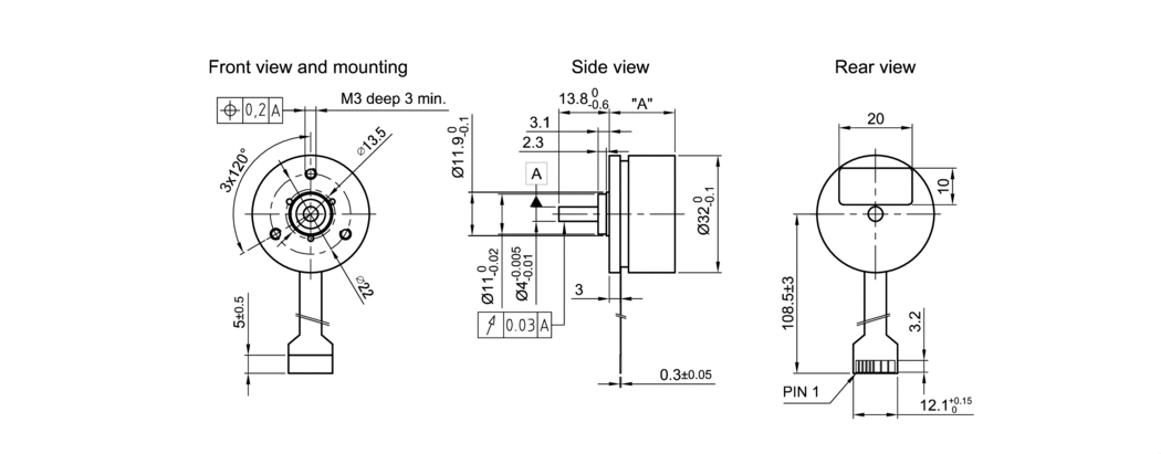
Abmessungen

DF32-A
Creation in progress ...

Kennlinie

Belastungsgrenze:
Maximale kurzzeitige statische Belastung, die bei Berücksichtigung der Lebensdauer erreicht werden darf.
Belastungsgrenze
Dauerbetriebsbereich
Drehmoment [nm] bei {{ curve.comparePoint | number : 2 }} U/min Drehzahl [U/min] bei {{ curve.comparePoint | number : 2 }} Nm
Kraft [N] bei {{ curve.comparePoint | number : 2 }} mm/s Geschwindigkeit [mm/s] bei {{ curve.comparePoint | number : 2 }} N
Drehmoment [nm] bei {{ curve.comparePoint | number : 2 }} U/min Drehzahl [U/min] bei {{ curve.comparePoint | number : 2 }} Nm
 
 
 
{{ curve.calculateValueAtComparePoint(dataRow) }}
  • {{ attribute.label }}

Downloads

Zubehör

ZIB-DF32 Zusatzplatine

Knowledge Base

Bürstenlose Gleichstrommotoren, kurz BLDC („Brushless DC-Motoren“), sind – entgegen ihrer Bezeichnung – Drehstrom-Synchronmaschinen: Der mit Permanentmagneten bestückte Läufer folgt einem magnetischen Drehfeld, die Bewegung ist synchron zur Wechselspannung, die an die Statorwicklungen angelegt wird. Der Begriff „bürstenloser Gleichstrommotor“ ist also weniger der richtigen Motorklassifikation geschuldet als vielmehr der Tatsache, dass er in…
Mehr Info