Pin configuration Overview Connector Function X1 Power connector X2 Motor connector X3 Micro USB X4 RS-232 interface X5 Inputs and Outputs connector X6 Encoder and Hall sensor connector X7 CANopen / RS-485 IN X8 CANopen / RS-485 OUT S1 Connection (Dip-Switch ON) /Disconnection (Dip-Switch OFF) of a 120 Ohm termination resistor for CAN/RS-485 J1 Jumper for switching CAN_L and RS-485 - J2 Jumper for switching CAN_H and RS-485 + L1 Status LED green L2 Status LED red Power (connector X1) Safety instruction CAUTION Danger of electrical over voltage! Connect a charging capacitor with at least 4700 µF! An operating voltage higher than the admissible operating voltage destroys the output stage! Mixing up the connections can destroy the output stage! Never connect or disconnect lines when live! The supply voltage must be selected so that it neverexceeds the admissible operating voltage of the motor. In particular, interferences by other consumers or by voltages induced by the motor must be considered, and if necessary a voltage must be selected that offers an adequately high safety reserve. Voltage source The operating or supply voltage is delivered by a battery, a transformer with rectification and filtering, or better a switch-mode power supply. Interference suppression and protection measures are required when a DC power supply line with a length of >30 m is used or the motor is used on a DC bus. An EMI filter is to be installed in the DC supply cable with a small as possible distance to the motor controller/motor. Long data or supply lines are to be routed through ferrites. Connections Connector type: JST XH Pin 1 in the following image is marked with a "1". PIN Function Remark 1 +UB 12 V - 24 V ±5% 2 GND Motor (connector X2) Connector type: JST XH Pin 1 in the following image is marked with a "1". PIN Function Stepper Function BLDC Remark 1 A U 2 A\ V 3 B W 4 B\ n.c. Micro USB (connector X3) RS-232 interface (connector X4) Connector type: JST GH Pin 1 in the following image is marked with a "1". PIN Function Remark 1 RS-232-RX 2 RS-232-TX 3 GND Inputs and Outputs (connector X5) Connector type: JST GH Pin 1 in the following image is marked with a "1". PIN Function Remark 1 +10V DC Output voltage, max. 200 mA 2 Digital Input 1 5 V signal, max. 1 MHz 3 Digital Input 2 5 V signal, max. 1 MHz 4 Digital Input 3 5 V signal, max. 1 MHz ("Direction" in Clock/Direction mode) 5 Digital Input 4 5 V signal, max. 1 MHz ("Clock" in Clock/Direction mode) 6 Digital Input 5 5 V signal, max. 1 MHz 7 Analogue Input 1 10 Bit , 0 - 10 V oder 0 - 20 mA, switchable by software with object 3221h, default setting: 0 - 10 V 8 Analogue Input 2 10 Bit , 0 - 10 V, not switchable by software 9 Digital Output 1 Open-Drain, max. 24 V/100 mA 10 Digital Output 2 Open-Drain, max. 24 V/100 mA 11 Digital Output 3 Open-Drain, max. 24 V/100 mA 12 GND For input 1 to 5 the following switching thresholds are defined: Switching threshold On Off > approx. 3 V < approx.1 V The current drain is approximately 0.4 mA. For the digital inputs the following internal schematic applies: Encoder and Hall sensor (connector X6) CAUTION The controller with hardware version W004b does not work without an additional schematic (see below) with the following encoder: WEDS5541 WEDS5546 HEDS5540 With these encoder a PULL-UP resistor to 5 V is needed at the lines A, B and INDEX. Connector type: JST GH Pin 1 in the following image is marked with a "1". Note Ensure, the encoder reaches the thresholds listed below. Otherwise a additional, external circuit is necessary. PIN Function Remark 1 +5 V DC Power supply for encoder/Hall sensor, max. 200 mA 2 A 5 V signal 3 B 5 V signal 4 Index 5 V signal 5 H1 5 V signal 6 H2 5 V signal 7 H3 5 V signal 8 GND The following switching thresholds apply for the encoder inputs: Switching threshold On Off > ca. 2.8 V < ca. 1.1 V The internal circuit of the encoder inputs is visualised in the following image. CANopen/RS-485 IN (connector X7) Connector type: JST GH Pin 1 in the following image is marked with a "1". PIN Function CANopen Function RS-485 Remark 1 +UB Logic +UB Logic 24 V DC, input voltage, current consumption: ca. 28 mA 2 CAN H RS-485+ switchable by jumper J2 3 CAN L RS-485- switchable by jumper J1 4 GND GND Line polarization CAUTION The device is not fitted with a line polarization and expects the master device to have one. If the master device doesn't support line termination by itself, one pair of resistors must be connected on the RS-485 balanced pair : A Pull-Up Resistor to a 5V Voltage on RS-485+ (D1) circuit A Pull-Down Resistor to the ground circuit on RS-485- (D0) circuit The value of those resistors must be between 450 Ohms and 650 Ohms. 650 Ohms resistors value may allow a higher number of devices on the serial line bus. In this case, a polarization of the pair must be implemented at one location for the whole Serial Bus. Generally this point is to choose on the master device or on its connector. Other devices must not implement any polarization. CANopen/RS-485 OUT (connector X8) Connector type: JST GH Pin 1 in the following image is marked with a "1". PIN Function CANopen Function RS-485 Remark 1 +UB Logic +UB Logic 24 V DC, input voltage, current consumption: ca. 28 mA 2 CAN H RS-485+ switchable by jumper J2. 3 CAN L RS-485- switchable by jumper J1 4 GND GND Line polarization CAUTION The device is not fitted with a line polarization and expects the master device to have one. If the master device doesn't support line termination by itself, one pair of resistors must be connected on the RS-485 balanced pair : A Pull-Up Resistor to a 5V Voltage on RS-485+ (D1) circuit A Pull-Down Resistor to the ground circuit on RS-485- (D0) circuit The value of those resistors must be between 450 Ohms and 650 Ohms. 650 Ohms resistors value may allow a higher number of devices on the serial line bus. In this case, a polarization of the pair must be implemented at one location for the whole Serial Bus. Generally this point is to choose on the master device or on its connector. Other devices must not implement any polarization. Terminating resistor (switch S1) With this switch a terminating resistor of 120 ohm can be switched in between CAN_L and CAN_H, or RS-485- and RS-485+, on or off. Jumper J1/J2 With these jumpers, the interface can be switched between CANopen or RS-485. Setting RS-485 For the use of the RS-485 interface the jumper J1 and J2 have to be set towards the center of the board (see following image). Setting CANopen For the use of the CANopen interface he jumper J1 and J2 have to be set towards the edge of the board (see following image).
Pin configuration Overview Connector Function X1 Power connector X2 Motor connector X3 Micro USB X4 RS-232 interface X5 Inputs and Outputs connector X6 Encoder and Hall sensor connector X7 CANopen / RS-485 IN X8 CANopen / RS-485 OUT S1 Connection (Dip-Switch ON) /Disconnection (Dip-Switch OFF) of a 120 Ohm termination resistor for CAN/RS-485 J1 Jumper for switching CAN_L and RS-485 - J2 Jumper for switching CAN_H and RS-485 + L1 Status LED green L2 Status LED red Power (connector X1) Safety instruction CAUTION Danger of electrical over voltage! Connect a charging capacitor with at least 4700 µF! An operating voltage higher than the admissible operating voltage destroys the output stage! Mixing up the connections can destroy the output stage! Never connect or disconnect lines when live! The supply voltage must be selected so that it neverexceeds the admissible operating voltage of the motor. In particular, interferences by other consumers or by voltages induced by the motor must be considered, and if necessary a voltage must be selected that offers an adequately high safety reserve. Voltage source The operating or supply voltage is delivered by a battery, a transformer with rectification and filtering, or better a switch-mode power supply. Interference suppression and protection measures are required when a DC power supply line with a length of >30 m is used or the motor is used on a DC bus. An EMI filter is to be installed in the DC supply cable with a small as possible distance to the motor controller/motor. Long data or supply lines are to be routed through ferrites. Connections Connector type: JST XH Pin 1 in the following image is marked with a "1". PIN Function Remark 1 +UB 12 V - 24 V ±5% 2 GND Motor (connector X2) Connector type: JST XH Pin 1 in the following image is marked with a "1". PIN Function Stepper Function BLDC Remark 1 A U 2 A\ V 3 B W 4 B\ n.c. Micro USB (connector X3) RS-232 interface (connector X4) Connector type: JST GH Pin 1 in the following image is marked with a "1". PIN Function Remark 1 RS-232-RX 2 RS-232-TX 3 GND Inputs and Outputs (connector X5) Connector type: JST GH Pin 1 in the following image is marked with a "1". PIN Function Remark 1 +10V DC Output voltage, max. 200 mA 2 Digital Input 1 5 V signal, max. 1 MHz 3 Digital Input 2 5 V signal, max. 1 MHz 4 Digital Input 3 5 V signal, max. 1 MHz ("Direction" in Clock/Direction mode) 5 Digital Input 4 5 V signal, max. 1 MHz ("Clock" in Clock/Direction mode) 6 Digital Input 5 5 V signal, max. 1 MHz 7 Analogue Input 1 10 Bit , 0 - 10 V oder 0 - 20 mA, switchable by software with object 3221h, default setting: 0 - 10 V 8 Analogue Input 2 10 Bit , 0 - 10 V, not switchable by software 9 Digital Output 1 Open-Drain, max. 24 V/100 mA 10 Digital Output 2 Open-Drain, max. 24 V/100 mA 11 Digital Output 3 Open-Drain, max. 24 V/100 mA 12 GND For input 1 to 5 the following switching thresholds are defined: Switching threshold On Off > approx. 3 V < approx.1 V The current drain is approximately 0.4 mA. For the digital inputs the following internal schematic applies: Encoder and Hall sensor (connector X6) CAUTION The controller with hardware version W004b does not work without an additional schematic (see below) with the following encoder: WEDS5541 WEDS5546 HEDS5540 With these encoder a PULL-UP resistor to 5 V is needed at the lines A, B and INDEX. Connector type: JST GH Pin 1 in the following image is marked with a "1". Note Ensure, the encoder reaches the thresholds listed below. Otherwise a additional, external circuit is necessary. PIN Function Remark 1 +5 V DC Power supply for encoder/Hall sensor, max. 200 mA 2 A 5 V signal 3 B 5 V signal 4 Index 5 V signal 5 H1 5 V signal 6 H2 5 V signal 7 H3 5 V signal 8 GND The following switching thresholds apply for the encoder inputs: Switching threshold On Off > ca. 2.8 V < ca. 1.1 V The internal circuit of the encoder inputs is visualised in the following image. CANopen/RS-485 IN (connector X7) Connector type: JST GH Pin 1 in the following image is marked with a "1". PIN Function CANopen Function RS-485 Remark 1 +UB Logic +UB Logic 24 V DC, input voltage, current consumption: ca. 28 mA 2 CAN H RS-485+ switchable by jumper J2 3 CAN L RS-485- switchable by jumper J1 4 GND GND Line polarization CAUTION The device is not fitted with a line polarization and expects the master device to have one. If the master device doesn't support line termination by itself, one pair of resistors must be connected on the RS-485 balanced pair : A Pull-Up Resistor to a 5V Voltage on RS-485+ (D1) circuit A Pull-Down Resistor to the ground circuit on RS-485- (D0) circuit The value of those resistors must be between 450 Ohms and 650 Ohms. 650 Ohms resistors value may allow a higher number of devices on the serial line bus. In this case, a polarization of the pair must be implemented at one location for the whole Serial Bus. Generally this point is to choose on the master device or on its connector. Other devices must not implement any polarization. CANopen/RS-485 OUT (connector X8) Connector type: JST GH Pin 1 in the following image is marked with a "1". PIN Function CANopen Function RS-485 Remark 1 +UB Logic +UB Logic 24 V DC, input voltage, current consumption: ca. 28 mA 2 CAN H RS-485+ switchable by jumper J2. 3 CAN L RS-485- switchable by jumper J1 4 GND GND Line polarization CAUTION The device is not fitted with a line polarization and expects the master device to have one. If the master device doesn't support line termination by itself, one pair of resistors must be connected on the RS-485 balanced pair : A Pull-Up Resistor to a 5V Voltage on RS-485+ (D1) circuit A Pull-Down Resistor to the ground circuit on RS-485- (D0) circuit The value of those resistors must be between 450 Ohms and 650 Ohms. 650 Ohms resistors value may allow a higher number of devices on the serial line bus. In this case, a polarization of the pair must be implemented at one location for the whole Serial Bus. Generally this point is to choose on the master device or on its connector. Other devices must not implement any polarization. Terminating resistor (switch S1) With this switch a terminating resistor of 120 ohm can be switched in between CAN_L and CAN_H, or RS-485- and RS-485+, on or off. Jumper J1/J2 With these jumpers, the interface can be switched between CANopen or RS-485. Setting RS-485 For the use of the RS-485 interface the jumper J1 and J2 have to be set towards the center of the board (see following image). Setting CANopen For the use of the CANopen interface he jumper J1 and J2 have to be set towards the edge of the board (see following image).
Overview Connector Function X1 Power connector X2 Motor connector X3 Micro USB X4 RS-232 interface X5 Inputs and Outputs connector X6 Encoder and Hall sensor connector X7 CANopen / RS-485 IN X8 CANopen / RS-485 OUT S1 Connection (Dip-Switch ON) /Disconnection (Dip-Switch OFF) of a 120 Ohm termination resistor for CAN/RS-485 J1 Jumper for switching CAN_L and RS-485 - J2 Jumper for switching CAN_H and RS-485 + L1 Status LED green L2 Status LED red
Power (connector X1) Safety instruction CAUTION Danger of electrical over voltage! Connect a charging capacitor with at least 4700 µF! An operating voltage higher than the admissible operating voltage destroys the output stage! Mixing up the connections can destroy the output stage! Never connect or disconnect lines when live! The supply voltage must be selected so that it neverexceeds the admissible operating voltage of the motor. In particular, interferences by other consumers or by voltages induced by the motor must be considered, and if necessary a voltage must be selected that offers an adequately high safety reserve. Voltage source The operating or supply voltage is delivered by a battery, a transformer with rectification and filtering, or better a switch-mode power supply. Interference suppression and protection measures are required when a DC power supply line with a length of >30 m is used or the motor is used on a DC bus. An EMI filter is to be installed in the DC supply cable with a small as possible distance to the motor controller/motor. Long data or supply lines are to be routed through ferrites. Connections Connector type: JST XH Pin 1 in the following image is marked with a "1". PIN Function Remark 1 +UB 12 V - 24 V ±5% 2 GND
Safety instruction CAUTION Danger of electrical over voltage! Connect a charging capacitor with at least 4700 µF! An operating voltage higher than the admissible operating voltage destroys the output stage! Mixing up the connections can destroy the output stage! Never connect or disconnect lines when live! The supply voltage must be selected so that it neverexceeds the admissible operating voltage of the motor. In particular, interferences by other consumers or by voltages induced by the motor must be considered, and if necessary a voltage must be selected that offers an adequately high safety reserve.
Voltage source The operating or supply voltage is delivered by a battery, a transformer with rectification and filtering, or better a switch-mode power supply. Interference suppression and protection measures are required when a DC power supply line with a length of >30 m is used or the motor is used on a DC bus. An EMI filter is to be installed in the DC supply cable with a small as possible distance to the motor controller/motor. Long data or supply lines are to be routed through ferrites.
Connections Connector type: JST XH Pin 1 in the following image is marked with a "1". PIN Function Remark 1 +UB 12 V - 24 V ±5% 2 GND
Motor (connector X2) Connector type: JST XH Pin 1 in the following image is marked with a "1". PIN Function Stepper Function BLDC Remark 1 A U 2 A\ V 3 B W 4 B\ n.c.
RS-232 interface (connector X4) Connector type: JST GH Pin 1 in the following image is marked with a "1". PIN Function Remark 1 RS-232-RX 2 RS-232-TX 3 GND
Inputs and Outputs (connector X5) Connector type: JST GH Pin 1 in the following image is marked with a "1". PIN Function Remark 1 +10V DC Output voltage, max. 200 mA 2 Digital Input 1 5 V signal, max. 1 MHz 3 Digital Input 2 5 V signal, max. 1 MHz 4 Digital Input 3 5 V signal, max. 1 MHz ("Direction" in Clock/Direction mode) 5 Digital Input 4 5 V signal, max. 1 MHz ("Clock" in Clock/Direction mode) 6 Digital Input 5 5 V signal, max. 1 MHz 7 Analogue Input 1 10 Bit , 0 - 10 V oder 0 - 20 mA, switchable by software with object 3221h, default setting: 0 - 10 V 8 Analogue Input 2 10 Bit , 0 - 10 V, not switchable by software 9 Digital Output 1 Open-Drain, max. 24 V/100 mA 10 Digital Output 2 Open-Drain, max. 24 V/100 mA 11 Digital Output 3 Open-Drain, max. 24 V/100 mA 12 GND For input 1 to 5 the following switching thresholds are defined: Switching threshold On Off > approx. 3 V < approx.1 V The current drain is approximately 0.4 mA. For the digital inputs the following internal schematic applies:
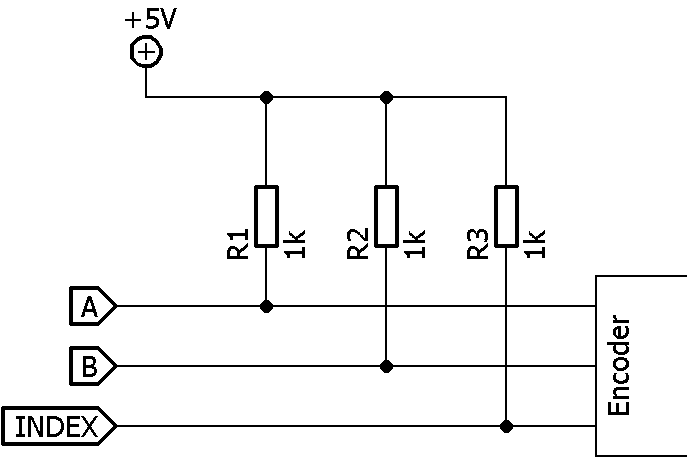
Encoder and Hall sensor (connector X6) CAUTION The controller with hardware version W004b does not work without an additional schematic (see below) with the following encoder: WEDS5541 WEDS5546 HEDS5540 With these encoder a PULL-UP resistor to 5 V is needed at the lines A, B and INDEX. Connector type: JST GH Pin 1 in the following image is marked with a "1". Note Ensure, the encoder reaches the thresholds listed below. Otherwise a additional, external circuit is necessary. PIN Function Remark 1 +5 V DC Power supply for encoder/Hall sensor, max. 200 mA 2 A 5 V signal 3 B 5 V signal 4 Index 5 V signal 5 H1 5 V signal 6 H2 5 V signal 7 H3 5 V signal 8 GND The following switching thresholds apply for the encoder inputs: Switching threshold On Off > ca. 2.8 V < ca. 1.1 V The internal circuit of the encoder inputs is visualised in the following image.
CANopen/RS-485 IN (connector X7) Connector type: JST GH Pin 1 in the following image is marked with a "1". PIN Function CANopen Function RS-485 Remark 1 +UB Logic +UB Logic 24 V DC, input voltage, current consumption: ca. 28 mA 2 CAN H RS-485+ switchable by jumper J2 3 CAN L RS-485- switchable by jumper J1 4 GND GND Line polarization CAUTION The device is not fitted with a line polarization and expects the master device to have one. If the master device doesn't support line termination by itself, one pair of resistors must be connected on the RS-485 balanced pair : A Pull-Up Resistor to a 5V Voltage on RS-485+ (D1) circuit A Pull-Down Resistor to the ground circuit on RS-485- (D0) circuit The value of those resistors must be between 450 Ohms and 650 Ohms. 650 Ohms resistors value may allow a higher number of devices on the serial line bus. In this case, a polarization of the pair must be implemented at one location for the whole Serial Bus. Generally this point is to choose on the master device or on its connector. Other devices must not implement any polarization.
Line polarization CAUTION The device is not fitted with a line polarization and expects the master device to have one. If the master device doesn't support line termination by itself, one pair of resistors must be connected on the RS-485 balanced pair : A Pull-Up Resistor to a 5V Voltage on RS-485+ (D1) circuit A Pull-Down Resistor to the ground circuit on RS-485- (D0) circuit The value of those resistors must be between 450 Ohms and 650 Ohms. 650 Ohms resistors value may allow a higher number of devices on the serial line bus. In this case, a polarization of the pair must be implemented at one location for the whole Serial Bus. Generally this point is to choose on the master device or on its connector. Other devices must not implement any polarization.
CANopen/RS-485 OUT (connector X8) Connector type: JST GH Pin 1 in the following image is marked with a "1". PIN Function CANopen Function RS-485 Remark 1 +UB Logic +UB Logic 24 V DC, input voltage, current consumption: ca. 28 mA 2 CAN H RS-485+ switchable by jumper J2. 3 CAN L RS-485- switchable by jumper J1 4 GND GND Line polarization CAUTION The device is not fitted with a line polarization and expects the master device to have one. If the master device doesn't support line termination by itself, one pair of resistors must be connected on the RS-485 balanced pair : A Pull-Up Resistor to a 5V Voltage on RS-485+ (D1) circuit A Pull-Down Resistor to the ground circuit on RS-485- (D0) circuit The value of those resistors must be between 450 Ohms and 650 Ohms. 650 Ohms resistors value may allow a higher number of devices on the serial line bus. In this case, a polarization of the pair must be implemented at one location for the whole Serial Bus. Generally this point is to choose on the master device or on its connector. Other devices must not implement any polarization.
Line polarization CAUTION The device is not fitted with a line polarization and expects the master device to have one. If the master device doesn't support line termination by itself, one pair of resistors must be connected on the RS-485 balanced pair : A Pull-Up Resistor to a 5V Voltage on RS-485+ (D1) circuit A Pull-Down Resistor to the ground circuit on RS-485- (D0) circuit The value of those resistors must be between 450 Ohms and 650 Ohms. 650 Ohms resistors value may allow a higher number of devices on the serial line bus. In this case, a polarization of the pair must be implemented at one location for the whole Serial Bus. Generally this point is to choose on the master device or on its connector. Other devices must not implement any polarization.
Terminating resistor (switch S1) With this switch a terminating resistor of 120 ohm can be switched in between CAN_L and CAN_H, or RS-485- and RS-485+, on or off.
Jumper J1/J2 With these jumpers, the interface can be switched between CANopen or RS-485. Setting RS-485 For the use of the RS-485 interface the jumper J1 and J2 have to be set towards the center of the board (see following image). Setting CANopen For the use of the CANopen interface he jumper J1 and J2 have to be set towards the edge of the board (see following image).
Setting RS-485 For the use of the RS-485 interface the jumper J1 and J2 have to be set towards the center of the board (see following image).
Setting CANopen For the use of the CANopen interface he jumper J1 and J2 have to be set towards the edge of the board (see following image).