Connecting the controller Note: EMC: Current-carrying cables – particularly around supply and motor cables – produce electromagnetic alternating fields. These can interfere with the motor and other devices. Suitable measures may be: ► Use shielded cables and earth the cable shielding on both ends over a short distance. ► Keep power supply and motor cables as short as possible. ► Use cables with cores in twisted pairs. ► Earth motor housing with large contact area over a short distance. ► Lay supply, motor and control cables separately. Integrating the CPB in a motherboard The minimum wiring varies depending on motor type and any present feedback (stepper or BLDC motor, Hall sensors/encoders). For commissioning, the connection of the voltage supply (X1 — voltage supply and motor) of the motor and a CANopen transceiver is sufficient. The following table shows the necessary voltage rails and the requirements that your motherboard should satisfy for them. When calculating the current consumption, a low efficiency of 80% is assumed for the step-down converter. Voltage rail Used for Current consumption Ripple permitted Tolerance of the regulated voltage Recommended topology +10-12V Gate-Drivers, +3.3V, +5V 70…160 mA 100 mV p-p Step-down converter for main supply UB +5V Encoder/ Hall, +3.3V 150 mA max. 100 mV p-p Step-down converter for +10-12V +3.3V MCU 140 mA min. +/-3% Low-dropout regulator (LDO) Note: There is no polarity reversal protection. Install a fuse in the supply line dimensioned according to the current consumption in your application. Connecting switches for communication settings You can connect two rotary switches to the specified pins of the controller that you can then use to set the communication parameters. The wiring must correspond exactly to the reference circuit given below. The three pins intended for this purpose are pin 28 (MISO), pin 30 (SCK) and pin 33 (SH/LD). Note: Use shift register 74HC165D or an equivalent product. Connect pin 10 to the 3.3 volt supply via a pull-up resistor so that the controller can detect the circuit. If you do not wish to use any rotary switches, do not connect anything to the three specified pins: MISO (pin 28), SCK (pin 30) and SH/LD (Pin 33). For the controller to detect and use the rotary switches, you must write the value "1" in object 2104h:01h (this is the case in the factory settings). If the value of the object is "0", the stored values in the corresponding objects are used. You can find the objects and the possible combinations in chapter Configuration via CANopen.
Connecting the controller Note: EMC: Current-carrying cables – particularly around supply and motor cables – produce electromagnetic alternating fields. These can interfere with the motor and other devices. Suitable measures may be: ► Use shielded cables and earth the cable shielding on both ends over a short distance. ► Keep power supply and motor cables as short as possible. ► Use cables with cores in twisted pairs. ► Earth motor housing with large contact area over a short distance. ► Lay supply, motor and control cables separately. Integrating the CPB in a motherboard The minimum wiring varies depending on motor type and any present feedback (stepper or BLDC motor, Hall sensors/encoders). For commissioning, the connection of the voltage supply (X1 — voltage supply and motor) of the motor and a CANopen transceiver is sufficient. The following table shows the necessary voltage rails and the requirements that your motherboard should satisfy for them. When calculating the current consumption, a low efficiency of 80% is assumed for the step-down converter. Voltage rail Used for Current consumption Ripple permitted Tolerance of the regulated voltage Recommended topology +10-12V Gate-Drivers, +3.3V, +5V 70…160 mA 100 mV p-p Step-down converter for main supply UB +5V Encoder/ Hall, +3.3V 150 mA max. 100 mV p-p Step-down converter for +10-12V +3.3V MCU 140 mA min. +/-3% Low-dropout regulator (LDO) Note: There is no polarity reversal protection. Install a fuse in the supply line dimensioned according to the current consumption in your application. Connecting switches for communication settings You can connect two rotary switches to the specified pins of the controller that you can then use to set the communication parameters. The wiring must correspond exactly to the reference circuit given below. The three pins intended for this purpose are pin 28 (MISO), pin 30 (SCK) and pin 33 (SH/LD). Note: Use shift register 74HC165D or an equivalent product. Connect pin 10 to the 3.3 volt supply via a pull-up resistor so that the controller can detect the circuit. If you do not wish to use any rotary switches, do not connect anything to the three specified pins: MISO (pin 28), SCK (pin 30) and SH/LD (Pin 33). For the controller to detect and use the rotary switches, you must write the value "1" in object 2104h:01h (this is the case in the factory settings). If the value of the object is "0", the stored values in the corresponding objects are used. You can find the objects and the possible combinations in chapter Configuration via CANopen.
Integrating the CPB in a motherboard The minimum wiring varies depending on motor type and any present feedback (stepper or BLDC motor, Hall sensors/encoders). For commissioning, the connection of the voltage supply (X1 — voltage supply and motor) of the motor and a CANopen transceiver is sufficient. The following table shows the necessary voltage rails and the requirements that your motherboard should satisfy for them. When calculating the current consumption, a low efficiency of 80% is assumed for the step-down converter. Voltage rail Used for Current consumption Ripple permitted Tolerance of the regulated voltage Recommended topology +10-12V Gate-Drivers, +3.3V, +5V 70…160 mA 100 mV p-p Step-down converter for main supply UB +5V Encoder/ Hall, +3.3V 150 mA max. 100 mV p-p Step-down converter for +10-12V +3.3V MCU 140 mA min. +/-3% Low-dropout regulator (LDO) Note: There is no polarity reversal protection. Install a fuse in the supply line dimensioned according to the current consumption in your application.
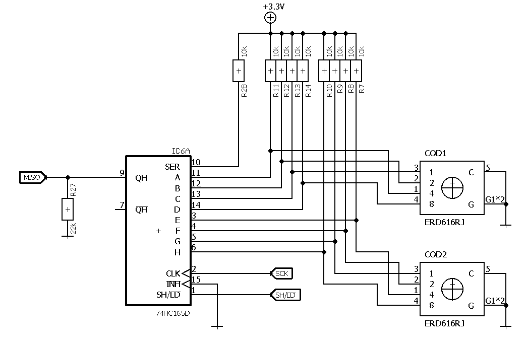
Connecting switches for communication settings You can connect two rotary switches to the specified pins of the controller that you can then use to set the communication parameters. The wiring must correspond exactly to the reference circuit given below. The three pins intended for this purpose are pin 28 (MISO), pin 30 (SCK) and pin 33 (SH/LD). Note: Use shift register 74HC165D or an equivalent product. Connect pin 10 to the 3.3 volt supply via a pull-up resistor so that the controller can detect the circuit. If you do not wish to use any rotary switches, do not connect anything to the three specified pins: MISO (pin 28), SCK (pin 30) and SH/LD (Pin 33). For the controller to detect and use the rotary switches, you must write the value "1" in object 2104h:01h (this is the case in the factory settings). If the value of the object is "0", the stored values in the corresponding objects are used. You can find the objects and the possible combinations in chapter Configuration via CANopen.