Pin assignment Overview Connection Function X1 Ethernet X2 Encoder and Hall sensor connection X3 Digital/analog inputs and outputs X4 Brake connection X5 Motor connection X6 Voltage supply X7 External logic supply, input voltage +24 V DC Voltage supply for encoder, input voltage +24 V DC X8 RS-485 IN X9 RS-485 OUT S1 Hex coding switch for Modbus address, 16s place (e.g., 0xF 0) S2 Hex coding switch for Modbus address, 1s place (e.g., 0x0F) S3 Pin1 150 ohm termination resistor (switch set to ON) Pin2 reserved L1 Power LED Note: All pins with designation GND are internally connected. X1 – Ethernet Type: RJ45 socket Pin 1 is marked with an asterisk "*". X2 – encoder/Hall sensor Note: Two types of encoder/Hall sensor are supported: Encoder/Hall sensor with 5 V supply voltage. In this case, nothing is to be connected to X7; object 2059h must be set to the value "0" (factory setting). Encoder/Hall sensor with 24 V supply voltage. In this case, you must connect a voltage of 24 V DC to X7 (see X7 – voltage supply for encoder/Hall sensor, external logic supply) and set bit 0 in 2059h to "1". Type: JST S12B-PADSS-1 Mating connector (not included in scope of delivery): Housing: JST PADP-12V-1-S (or equivalent) Socket contacts: JST SPH-001T-P0.5L (or equivalent) Suitable Nanotec cables (not included in the scope of delivery): ZK-PADP-12-500-S ZK-M12-8-2M-2-PADP ZK-M12-12-2M-2-PADP ZK-NTO3-10-500-PADP / ZK-NTO3-10-1000-PADP ZK-NOE-10-500-S-PADP ZK-WEDL-500-S-PADP Pin 1 and pin 2 are marked in the figure. Pin Function Note 1 GND 2 Vcc +5 V DC (factory setting) or +24 V DC, output voltage switchable by means of software with object 2059h. 3 A 5/24 V signal, max. 1 MHz 4 B 5/24 V signal, max. 1 MHz 5 A\ 5/24 V signal, max. 1 MHz 6 B\ 5/24 V signal, max. 1 MHz 7 I 5/24 V signal 8 I\ 5/24 V signal 9 Hall 1 5/24 V signal 10 Hall 2 5/24 V signal 11 Hall 3 5/24 V signal 12 Shielding Shielding Note: If a single-ended encoder is used, channels A/, B/ and I/ are not evaluated! To ensure that a single-ended encoder is correctly detected: ► Set bit 1 in the object 2059h to "1". ► Do not connect anything to pins A\, B\, I\, and do not connect these pins to ground (GND). It must be ensured that the encoder reaches the switching thresholds specified below. Otherwise, an additional external circuit is necessary. Type Switching thresholds On Off Single-ended 5 V > 3.8 V < 0.26 V Differential 5 V > 3.8 V < 0.26 V Single-ended 24 V > 14.42 V < 4.16 V Differential 24 V > 14.42 V < 4.16 V The internal wiring of the encoder inputs is shown in the following. X3 – inputs and outputs Type: Phoenix Contact MC 0.5/12-G-2.5 Mating connector (included in scope of delivery): Phoenix Contact FK-MCP 0.5/12-ST-2.5 (or equivalent) Nanotec article number: ZCPHOFK-MC0,5-12 Pin 1 is marked with an asterisk "*". Pin Function Note 1 GND 2 Input 1 5 V / 24 V digital input, switchable by means of software with object 3240h 3 Input 2 5 V / 24 V digital input, switchable by means of software with object 3240 4 Input 3 5 V / 24 V digital input, switchable by means of software with object 3240, max. 1 MHz, direction input in clock-direction mode 5 Input 4 5 V / 24 V digital input, switchable by means of software with object 3240, max. 1 MHz, clock input in clock-direction mode 6 Input 5 Digital input 5 V to 24 V, not switchable by means of software 7 Input 6 Digital input 5 V to 24 V, not switchable by means of software 8 Analog input 1 -10 V…+10 V or 0…20 mA, switchable by means of software with object 3221h 9 Analog input 2 -10 V…+10 V or 0…20 mA, switchable by means of software with object 3221h 10 Output 1 Digital output, open drain, max. 24 V / 0.5 A 11 Output 2 Digital output, open drain, max. 24 V / 0.5 A 12 Shielding Shielding The following switching thresholds apply for inputs 1 to 4: Max. Voltage Switching thresholds Switching on Switching off 5 V > 3.8 V < 0.26 V 24 V > 14.42 V < 4.16 V The following switching thresholds apply for inputs 5 and 6 (wide-range inputs from 5-24 V): Switching thresholds Switching on Switching off > 3.25 V < approx. 2 V Connection data min max Conductor cross section, rigid, min. 0.14 mm2 0.5 mm2 Conductor cross section, flexible, min. 0.14 mm2 0.5 mm2 Conductor cross section, flexible, min. Wire-end sleeve without plastic sleeve, min. 0.25 mm2 0.5 mm2 Conductor cross section, min. AWG 26 20 Min. AWG acc. to UL/CUL 28 20 X4 – brake connection Type: Phoenix Contact MC 0.5/2-G-2.5 Mating connector (included in scope of delivery): Phoenix Contact FK-MCP 0.5/2-ST-2.5 (or equivalent) Nanotec article number: ZCPHOFK-MC0,5-2 Pin 1 is marked with an asterisk "*". Pin Function Note 1 Brake + Internally connected to +UB 2 Brake - PWM-controlled open drain output, max. 1.5 A Connection data min max Conductor cross section, rigid, min. 0.14 mm2 0.5 mm2 Conductor cross section, flexible, min. 0.14 mm2 0.5 mm2 Conductor cross section, flexible, min. Wire-end sleeve without plastic sleeve, min. 0.25 mm2 0.5 mm2 Conductor cross section, min. AWG 26 20 Min. AWG acc. to UL/CUL 28 20 X5 – motor connection Type: Würth Elektronik 691313710006 Mating connector (included in scope of delivery): Würth Elektronik 691352710006 (or equivalent) Nanotec article number: ZCWE-RM5-6 Pin 1 is marked with an asterisk "*". Pin Function (stepper motor) Function (BLDC motor) Note 1 Shielding Shielding Shielding 2 A U 3 A\ V 4 B W 5 B\ Not used 6 Shielding Shielding Shielding Connection data min max Conductor cross section, rigid 0.2 mm2 2.5 mm2 Conductor cross section, flexible 0.2 mm2 2.5 mm2 Conductor cross section, flexible, min. Wire-end sleeve without plastic sleeve 0.25 mm2 2.5 mm2 Conductor cross section, flexible, min. Wire-end sleeve min. Plastic sleeve 0.25 mm2 1.5 mm2 Conductor cross section, AWG 24 12 2 conductors of the same cross section, flexible, min. TWIN-AEH with plastic sleeve 0.5 mm2 1.5 mm2 AWG acc. to UL/CUL 26 12 X6 – voltage supply Type: Würth Elektronik 691313710003 Mating connector (included in scope of delivery): Würth Elektronik 691352710003 (or equivalent) Nanotec article number: ZCWE-RM5-3 Voltage source The operating or supply voltage supplies a battery, a transformer with rectification and filtering, or a switching power supply. Note: EMC: For a DC power supply line longer than 30 m or when using the motor on a DC bus, additional interference-suppression and protection measures are necessary. ► An EMI filter is to be inserted in the DC supply line as close as possible to the controller/motor. ► Long data or supply lines are to be routed through ferrites. Connections Pin 1 is marked with an asterisk "*". Pin Function Note 1 Shielding Shielding 2 +UB For version N5-1 (low current): 12 V -5% … 72 V +4% DC For version N5-2 (high current) and up to hardware version w007: 12 V - 48 V ±5% DC For version N5-2 (high current) and hardware version w007b and higher: 12 V -5% … 57.4 V DC 3 GND Connection data min max Conductor cross section, rigid 0.2 mm2 2.5 mm2 Conductor cross section, flexible 0.2 mm2 2.5 mm2 Conductor cross section, flexible, min. Wire-end sleeve without plastic sleeve 0.25 mm2 2.5 mm2 Conductor cross section, flexible, min. Wire-end sleeve min. Plastic sleeve 0.25 mm2 1.5 mm2 Conductor cross section, AWG 24 12 2 conductors of the same cross section, flexible, min. TWIN-AEH with plastic sleeve 0.5 mm2 1.5 mm2 AWG acc. to UL/CUL 26 12 Permissible operating voltage Depending on the version, the maximum permissible voltage is: N5-1 (low current): 75 V DC N5-2 (high current) and up to hardware version w007: 51.5 V DC N5-2 (high current) and hardware version w007b and higher: 57.5 V DC. With this version, you must – if desired – enter the right threshold value in 2034h Upper Voltage Warning Level. If the input voltage of the controller exceeds this threshold value, the motor is switched off and an error triggered. Above the response threshold set in 4021h:02h (but at the latest from 57.5 V), the integrated ballast circuit is activated (thick‑film resistor PWR163S-25-15R0J from Bourns with 25 W continuous output). The minimum operating voltage is 11.4 V DC. If the input voltage of the controller falls below 10 V, the motor is switched off and an error triggered. A charging capacitor of at least 4700 µF / 50 V (approx. 1000 µF per ampere rated current) must be connected in parallel to the supply voltage to avoid exceeding the permissible operating voltage (e.g., during braking). X7 – voltage supply for encoder/Hall sensor, external logic supply Functionality The voltage supply at X7 must be connected under one of the following conditions: A 24 V encoder/Hall sensor is used. In this case, a voltage of 24 V DC must be connected to X7 and bit 0 in object 2059h set to the value "1". A logic voltage supply is necessary for the controller to ensure continued access to the following functions should the power supply be lost at connector X6 (see "X6 – voltage supply"): Logical functionality of the controller Controller communication Encoder Note: The windings of the motor are not supplied by the logic supply.In this case, a voltage of 24 V DC must be connected to X7. With a 24 V encoder, bit 0 in object 2059h must be set to the value "1". In the case of a 5 V encoder, bit 0 in object 2059h is to be set to the value "0" (factory setting).Note: Damages to the encoder/Hall sensor from high voltage! The encoder/Hall sensor can be damaged if object 2059h is incorrectly configured. ► Make certain that bit 0 in object 2059h is not set before you connect an encoder/Hall sensor with rated voltage less than 24 V. Connection Type: Phoenix Contact MC 0.5/2-G-2.5 Mating connector (included in scope of delivery): Phoenix Contact FK-MCP 0.5/2-ST-2.5 (or equivalent) Nanotec article number: ZCPHOFK-MC0,5-2 Pin 1 is marked with an asterisk "*". Pin Function Note 1 +UB Logic/encoder +24 V DC, supply voltage for logic and encoder/Hall sensor 2 GND Connection data min max Conductor cross section, rigid, min. 0.14 mm2 0.5 mm2 Conductor cross section, flexible, min. 0.14 mm2 0.5 mm2 Conductor cross section, flexible, min. Wire-end sleeve without plastic sleeve, min. 0.25 mm2 0.5 mm2 Conductor cross section, min. AWG 26 20 Min. AWG acc. to UL/CUL 28 20 X8 – RS-485 IN Type: RJ45 socket Pin 1 is marked with an asterisk "*". Pin Function Note 1 n.c. 2 n.c. 3 n.c. 4 D1 (RS-485 +) 5 D0 (RS-485 -) 6 n.c. 7 n.c. 8 Common Common signal and supply X9 – RS-485 OUT Type: RJ45 socket Pin 1 is marked with an asterisk "*". Pin Function Note 1 n.c. 2 n.c. 3 n.c. 4 D1 (RS-485 +) 5 D0 (RS-485 -) 6 n.c. 7 n.c. 8 Common Common signal and supply S1 – hex coding switch for slave address and baud rate Hex coding switch for setting the Modbus address and baud rate. See chapter Communication settings. The value of this switch is multiplied by 16 and added to the value of switch S2; this switch thereby sets the 16s place. S2 – hex coding switch for slave address and baud rate Hex coding switch for setting the Modbus address and baud rate. See chapter Communication settings. The value of this switch is added to the value of switch S1; this switch thereby sets the 1s place. Example Switch S1 is set to the value "1h", switch S2 to the value "Fh"; the result is the value "1Fh". S3 – 150 ohm termination resistor This DIP switch (pin 1, marked with an asterisk "*") switches the termination of 150 Ω between RS-485+ and RS-485- on or off.
Pin assignment Overview Connection Function X1 Ethernet X2 Encoder and Hall sensor connection X3 Digital/analog inputs and outputs X4 Brake connection X5 Motor connection X6 Voltage supply X7 External logic supply, input voltage +24 V DC Voltage supply for encoder, input voltage +24 V DC X8 RS-485 IN X9 RS-485 OUT S1 Hex coding switch for Modbus address, 16s place (e.g., 0xF 0) S2 Hex coding switch for Modbus address, 1s place (e.g., 0x0F) S3 Pin1 150 ohm termination resistor (switch set to ON) Pin2 reserved L1 Power LED Note: All pins with designation GND are internally connected. X1 – Ethernet Type: RJ45 socket Pin 1 is marked with an asterisk "*". X2 – encoder/Hall sensor Note: Two types of encoder/Hall sensor are supported: Encoder/Hall sensor with 5 V supply voltage. In this case, nothing is to be connected to X7; object 2059h must be set to the value "0" (factory setting). Encoder/Hall sensor with 24 V supply voltage. In this case, you must connect a voltage of 24 V DC to X7 (see X7 – voltage supply for encoder/Hall sensor, external logic supply) and set bit 0 in 2059h to "1". Type: JST S12B-PADSS-1 Mating connector (not included in scope of delivery): Housing: JST PADP-12V-1-S (or equivalent) Socket contacts: JST SPH-001T-P0.5L (or equivalent) Suitable Nanotec cables (not included in the scope of delivery): ZK-PADP-12-500-S ZK-M12-8-2M-2-PADP ZK-M12-12-2M-2-PADP ZK-NTO3-10-500-PADP / ZK-NTO3-10-1000-PADP ZK-NOE-10-500-S-PADP ZK-WEDL-500-S-PADP Pin 1 and pin 2 are marked in the figure. Pin Function Note 1 GND 2 Vcc +5 V DC (factory setting) or +24 V DC, output voltage switchable by means of software with object 2059h. 3 A 5/24 V signal, max. 1 MHz 4 B 5/24 V signal, max. 1 MHz 5 A\ 5/24 V signal, max. 1 MHz 6 B\ 5/24 V signal, max. 1 MHz 7 I 5/24 V signal 8 I\ 5/24 V signal 9 Hall 1 5/24 V signal 10 Hall 2 5/24 V signal 11 Hall 3 5/24 V signal 12 Shielding Shielding Note: If a single-ended encoder is used, channels A/, B/ and I/ are not evaluated! To ensure that a single-ended encoder is correctly detected: ► Set bit 1 in the object 2059h to "1". ► Do not connect anything to pins A\, B\, I\, and do not connect these pins to ground (GND). It must be ensured that the encoder reaches the switching thresholds specified below. Otherwise, an additional external circuit is necessary. Type Switching thresholds On Off Single-ended 5 V > 3.8 V < 0.26 V Differential 5 V > 3.8 V < 0.26 V Single-ended 24 V > 14.42 V < 4.16 V Differential 24 V > 14.42 V < 4.16 V The internal wiring of the encoder inputs is shown in the following. X3 – inputs and outputs Type: Phoenix Contact MC 0.5/12-G-2.5 Mating connector (included in scope of delivery): Phoenix Contact FK-MCP 0.5/12-ST-2.5 (or equivalent) Nanotec article number: ZCPHOFK-MC0,5-12 Pin 1 is marked with an asterisk "*". Pin Function Note 1 GND 2 Input 1 5 V / 24 V digital input, switchable by means of software with object 3240h 3 Input 2 5 V / 24 V digital input, switchable by means of software with object 3240 4 Input 3 5 V / 24 V digital input, switchable by means of software with object 3240, max. 1 MHz, direction input in clock-direction mode 5 Input 4 5 V / 24 V digital input, switchable by means of software with object 3240, max. 1 MHz, clock input in clock-direction mode 6 Input 5 Digital input 5 V to 24 V, not switchable by means of software 7 Input 6 Digital input 5 V to 24 V, not switchable by means of software 8 Analog input 1 -10 V…+10 V or 0…20 mA, switchable by means of software with object 3221h 9 Analog input 2 -10 V…+10 V or 0…20 mA, switchable by means of software with object 3221h 10 Output 1 Digital output, open drain, max. 24 V / 0.5 A 11 Output 2 Digital output, open drain, max. 24 V / 0.5 A 12 Shielding Shielding The following switching thresholds apply for inputs 1 to 4: Max. Voltage Switching thresholds Switching on Switching off 5 V > 3.8 V < 0.26 V 24 V > 14.42 V < 4.16 V The following switching thresholds apply for inputs 5 and 6 (wide-range inputs from 5-24 V): Switching thresholds Switching on Switching off > 3.25 V < approx. 2 V Connection data min max Conductor cross section, rigid, min. 0.14 mm2 0.5 mm2 Conductor cross section, flexible, min. 0.14 mm2 0.5 mm2 Conductor cross section, flexible, min. Wire-end sleeve without plastic sleeve, min. 0.25 mm2 0.5 mm2 Conductor cross section, min. AWG 26 20 Min. AWG acc. to UL/CUL 28 20 X4 – brake connection Type: Phoenix Contact MC 0.5/2-G-2.5 Mating connector (included in scope of delivery): Phoenix Contact FK-MCP 0.5/2-ST-2.5 (or equivalent) Nanotec article number: ZCPHOFK-MC0,5-2 Pin 1 is marked with an asterisk "*". Pin Function Note 1 Brake + Internally connected to +UB 2 Brake - PWM-controlled open drain output, max. 1.5 A Connection data min max Conductor cross section, rigid, min. 0.14 mm2 0.5 mm2 Conductor cross section, flexible, min. 0.14 mm2 0.5 mm2 Conductor cross section, flexible, min. Wire-end sleeve without plastic sleeve, min. 0.25 mm2 0.5 mm2 Conductor cross section, min. AWG 26 20 Min. AWG acc. to UL/CUL 28 20 X5 – motor connection Type: Würth Elektronik 691313710006 Mating connector (included in scope of delivery): Würth Elektronik 691352710006 (or equivalent) Nanotec article number: ZCWE-RM5-6 Pin 1 is marked with an asterisk "*". Pin Function (stepper motor) Function (BLDC motor) Note 1 Shielding Shielding Shielding 2 A U 3 A\ V 4 B W 5 B\ Not used 6 Shielding Shielding Shielding Connection data min max Conductor cross section, rigid 0.2 mm2 2.5 mm2 Conductor cross section, flexible 0.2 mm2 2.5 mm2 Conductor cross section, flexible, min. Wire-end sleeve without plastic sleeve 0.25 mm2 2.5 mm2 Conductor cross section, flexible, min. Wire-end sleeve min. Plastic sleeve 0.25 mm2 1.5 mm2 Conductor cross section, AWG 24 12 2 conductors of the same cross section, flexible, min. TWIN-AEH with plastic sleeve 0.5 mm2 1.5 mm2 AWG acc. to UL/CUL 26 12 X6 – voltage supply Type: Würth Elektronik 691313710003 Mating connector (included in scope of delivery): Würth Elektronik 691352710003 (or equivalent) Nanotec article number: ZCWE-RM5-3 Voltage source The operating or supply voltage supplies a battery, a transformer with rectification and filtering, or a switching power supply. Note: EMC: For a DC power supply line longer than 30 m or when using the motor on a DC bus, additional interference-suppression and protection measures are necessary. ► An EMI filter is to be inserted in the DC supply line as close as possible to the controller/motor. ► Long data or supply lines are to be routed through ferrites. Connections Pin 1 is marked with an asterisk "*". Pin Function Note 1 Shielding Shielding 2 +UB For version N5-1 (low current): 12 V -5% … 72 V +4% DC For version N5-2 (high current) and up to hardware version w007: 12 V - 48 V ±5% DC For version N5-2 (high current) and hardware version w007b and higher: 12 V -5% … 57.4 V DC 3 GND Connection data min max Conductor cross section, rigid 0.2 mm2 2.5 mm2 Conductor cross section, flexible 0.2 mm2 2.5 mm2 Conductor cross section, flexible, min. Wire-end sleeve without plastic sleeve 0.25 mm2 2.5 mm2 Conductor cross section, flexible, min. Wire-end sleeve min. Plastic sleeve 0.25 mm2 1.5 mm2 Conductor cross section, AWG 24 12 2 conductors of the same cross section, flexible, min. TWIN-AEH with plastic sleeve 0.5 mm2 1.5 mm2 AWG acc. to UL/CUL 26 12 Permissible operating voltage Depending on the version, the maximum permissible voltage is: N5-1 (low current): 75 V DC N5-2 (high current) and up to hardware version w007: 51.5 V DC N5-2 (high current) and hardware version w007b and higher: 57.5 V DC. With this version, you must – if desired – enter the right threshold value in 2034h Upper Voltage Warning Level. If the input voltage of the controller exceeds this threshold value, the motor is switched off and an error triggered. Above the response threshold set in 4021h:02h (but at the latest from 57.5 V), the integrated ballast circuit is activated (thick‑film resistor PWR163S-25-15R0J from Bourns with 25 W continuous output). The minimum operating voltage is 11.4 V DC. If the input voltage of the controller falls below 10 V, the motor is switched off and an error triggered. A charging capacitor of at least 4700 µF / 50 V (approx. 1000 µF per ampere rated current) must be connected in parallel to the supply voltage to avoid exceeding the permissible operating voltage (e.g., during braking). X7 – voltage supply for encoder/Hall sensor, external logic supply Functionality The voltage supply at X7 must be connected under one of the following conditions: A 24 V encoder/Hall sensor is used. In this case, a voltage of 24 V DC must be connected to X7 and bit 0 in object 2059h set to the value "1". A logic voltage supply is necessary for the controller to ensure continued access to the following functions should the power supply be lost at connector X6 (see "X6 – voltage supply"): Logical functionality of the controller Controller communication Encoder Note: The windings of the motor are not supplied by the logic supply.In this case, a voltage of 24 V DC must be connected to X7. With a 24 V encoder, bit 0 in object 2059h must be set to the value "1". In the case of a 5 V encoder, bit 0 in object 2059h is to be set to the value "0" (factory setting).Note: Damages to the encoder/Hall sensor from high voltage! The encoder/Hall sensor can be damaged if object 2059h is incorrectly configured. ► Make certain that bit 0 in object 2059h is not set before you connect an encoder/Hall sensor with rated voltage less than 24 V. Connection Type: Phoenix Contact MC 0.5/2-G-2.5 Mating connector (included in scope of delivery): Phoenix Contact FK-MCP 0.5/2-ST-2.5 (or equivalent) Nanotec article number: ZCPHOFK-MC0,5-2 Pin 1 is marked with an asterisk "*". Pin Function Note 1 +UB Logic/encoder +24 V DC, supply voltage for logic and encoder/Hall sensor 2 GND Connection data min max Conductor cross section, rigid, min. 0.14 mm2 0.5 mm2 Conductor cross section, flexible, min. 0.14 mm2 0.5 mm2 Conductor cross section, flexible, min. Wire-end sleeve without plastic sleeve, min. 0.25 mm2 0.5 mm2 Conductor cross section, min. AWG 26 20 Min. AWG acc. to UL/CUL 28 20 X8 – RS-485 IN Type: RJ45 socket Pin 1 is marked with an asterisk "*". Pin Function Note 1 n.c. 2 n.c. 3 n.c. 4 D1 (RS-485 +) 5 D0 (RS-485 -) 6 n.c. 7 n.c. 8 Common Common signal and supply X9 – RS-485 OUT Type: RJ45 socket Pin 1 is marked with an asterisk "*". Pin Function Note 1 n.c. 2 n.c. 3 n.c. 4 D1 (RS-485 +) 5 D0 (RS-485 -) 6 n.c. 7 n.c. 8 Common Common signal and supply S1 – hex coding switch for slave address and baud rate Hex coding switch for setting the Modbus address and baud rate. See chapter Communication settings. The value of this switch is multiplied by 16 and added to the value of switch S2; this switch thereby sets the 16s place. S2 – hex coding switch for slave address and baud rate Hex coding switch for setting the Modbus address and baud rate. See chapter Communication settings. The value of this switch is added to the value of switch S1; this switch thereby sets the 1s place. Example Switch S1 is set to the value "1h", switch S2 to the value "Fh"; the result is the value "1Fh". S3 – 150 ohm termination resistor This DIP switch (pin 1, marked with an asterisk "*") switches the termination of 150 Ω between RS-485+ and RS-485- on or off.
Overview Connection Function X1 Ethernet X2 Encoder and Hall sensor connection X3 Digital/analog inputs and outputs X4 Brake connection X5 Motor connection X6 Voltage supply X7 External logic supply, input voltage +24 V DC Voltage supply for encoder, input voltage +24 V DC X8 RS-485 IN X9 RS-485 OUT S1 Hex coding switch for Modbus address, 16s place (e.g., 0xF 0) S2 Hex coding switch for Modbus address, 1s place (e.g., 0x0F) S3 Pin1 150 ohm termination resistor (switch set to ON) Pin2 reserved L1 Power LED Note: All pins with designation GND are internally connected.
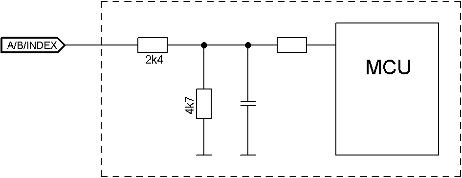
X2 – encoder/Hall sensor Note: Two types of encoder/Hall sensor are supported: Encoder/Hall sensor with 5 V supply voltage. In this case, nothing is to be connected to X7; object 2059h must be set to the value "0" (factory setting). Encoder/Hall sensor with 24 V supply voltage. In this case, you must connect a voltage of 24 V DC to X7 (see X7 – voltage supply for encoder/Hall sensor, external logic supply) and set bit 0 in 2059h to "1". Type: JST S12B-PADSS-1 Mating connector (not included in scope of delivery): Housing: JST PADP-12V-1-S (or equivalent) Socket contacts: JST SPH-001T-P0.5L (or equivalent) Suitable Nanotec cables (not included in the scope of delivery): ZK-PADP-12-500-S ZK-M12-8-2M-2-PADP ZK-M12-12-2M-2-PADP ZK-NTO3-10-500-PADP / ZK-NTO3-10-1000-PADP ZK-NOE-10-500-S-PADP ZK-WEDL-500-S-PADP Pin 1 and pin 2 are marked in the figure. Pin Function Note 1 GND 2 Vcc +5 V DC (factory setting) or +24 V DC, output voltage switchable by means of software with object 2059h. 3 A 5/24 V signal, max. 1 MHz 4 B 5/24 V signal, max. 1 MHz 5 A\ 5/24 V signal, max. 1 MHz 6 B\ 5/24 V signal, max. 1 MHz 7 I 5/24 V signal 8 I\ 5/24 V signal 9 Hall 1 5/24 V signal 10 Hall 2 5/24 V signal 11 Hall 3 5/24 V signal 12 Shielding Shielding Note: If a single-ended encoder is used, channels A/, B/ and I/ are not evaluated! To ensure that a single-ended encoder is correctly detected: ► Set bit 1 in the object 2059h to "1". ► Do not connect anything to pins A\, B\, I\, and do not connect these pins to ground (GND). It must be ensured that the encoder reaches the switching thresholds specified below. Otherwise, an additional external circuit is necessary. Type Switching thresholds On Off Single-ended 5 V > 3.8 V < 0.26 V Differential 5 V > 3.8 V < 0.26 V Single-ended 24 V > 14.42 V < 4.16 V Differential 24 V > 14.42 V < 4.16 V The internal wiring of the encoder inputs is shown in the following.
X3 – inputs and outputs Type: Phoenix Contact MC 0.5/12-G-2.5 Mating connector (included in scope of delivery): Phoenix Contact FK-MCP 0.5/12-ST-2.5 (or equivalent) Nanotec article number: ZCPHOFK-MC0,5-12 Pin 1 is marked with an asterisk "*". Pin Function Note 1 GND 2 Input 1 5 V / 24 V digital input, switchable by means of software with object 3240h 3 Input 2 5 V / 24 V digital input, switchable by means of software with object 3240 4 Input 3 5 V / 24 V digital input, switchable by means of software with object 3240, max. 1 MHz, direction input in clock-direction mode 5 Input 4 5 V / 24 V digital input, switchable by means of software with object 3240, max. 1 MHz, clock input in clock-direction mode 6 Input 5 Digital input 5 V to 24 V, not switchable by means of software 7 Input 6 Digital input 5 V to 24 V, not switchable by means of software 8 Analog input 1 -10 V…+10 V or 0…20 mA, switchable by means of software with object 3221h 9 Analog input 2 -10 V…+10 V or 0…20 mA, switchable by means of software with object 3221h 10 Output 1 Digital output, open drain, max. 24 V / 0.5 A 11 Output 2 Digital output, open drain, max. 24 V / 0.5 A 12 Shielding Shielding The following switching thresholds apply for inputs 1 to 4: Max. Voltage Switching thresholds Switching on Switching off 5 V > 3.8 V < 0.26 V 24 V > 14.42 V < 4.16 V The following switching thresholds apply for inputs 5 and 6 (wide-range inputs from 5-24 V): Switching thresholds Switching on Switching off > 3.25 V < approx. 2 V Connection data min max Conductor cross section, rigid, min. 0.14 mm2 0.5 mm2 Conductor cross section, flexible, min. 0.14 mm2 0.5 mm2 Conductor cross section, flexible, min. Wire-end sleeve without plastic sleeve, min. 0.25 mm2 0.5 mm2 Conductor cross section, min. AWG 26 20 Min. AWG acc. to UL/CUL 28 20
X4 – brake connection Type: Phoenix Contact MC 0.5/2-G-2.5 Mating connector (included in scope of delivery): Phoenix Contact FK-MCP 0.5/2-ST-2.5 (or equivalent) Nanotec article number: ZCPHOFK-MC0,5-2 Pin 1 is marked with an asterisk "*". Pin Function Note 1 Brake + Internally connected to +UB 2 Brake - PWM-controlled open drain output, max. 1.5 A Connection data min max Conductor cross section, rigid, min. 0.14 mm2 0.5 mm2 Conductor cross section, flexible, min. 0.14 mm2 0.5 mm2 Conductor cross section, flexible, min. Wire-end sleeve without plastic sleeve, min. 0.25 mm2 0.5 mm2 Conductor cross section, min. AWG 26 20 Min. AWG acc. to UL/CUL 28 20
X5 – motor connection Type: Würth Elektronik 691313710006 Mating connector (included in scope of delivery): Würth Elektronik 691352710006 (or equivalent) Nanotec article number: ZCWE-RM5-6 Pin 1 is marked with an asterisk "*". Pin Function (stepper motor) Function (BLDC motor) Note 1 Shielding Shielding Shielding 2 A U 3 A\ V 4 B W 5 B\ Not used 6 Shielding Shielding Shielding Connection data min max Conductor cross section, rigid 0.2 mm2 2.5 mm2 Conductor cross section, flexible 0.2 mm2 2.5 mm2 Conductor cross section, flexible, min. Wire-end sleeve without plastic sleeve 0.25 mm2 2.5 mm2 Conductor cross section, flexible, min. Wire-end sleeve min. Plastic sleeve 0.25 mm2 1.5 mm2 Conductor cross section, AWG 24 12 2 conductors of the same cross section, flexible, min. TWIN-AEH with plastic sleeve 0.5 mm2 1.5 mm2 AWG acc. to UL/CUL 26 12
X6 – voltage supply Type: Würth Elektronik 691313710003 Mating connector (included in scope of delivery): Würth Elektronik 691352710003 (or equivalent) Nanotec article number: ZCWE-RM5-3 Voltage source The operating or supply voltage supplies a battery, a transformer with rectification and filtering, or a switching power supply. Note: EMC: For a DC power supply line longer than 30 m or when using the motor on a DC bus, additional interference-suppression and protection measures are necessary. ► An EMI filter is to be inserted in the DC supply line as close as possible to the controller/motor. ► Long data or supply lines are to be routed through ferrites. Connections Pin 1 is marked with an asterisk "*". Pin Function Note 1 Shielding Shielding 2 +UB For version N5-1 (low current): 12 V -5% … 72 V +4% DC For version N5-2 (high current) and up to hardware version w007: 12 V - 48 V ±5% DC For version N5-2 (high current) and hardware version w007b and higher: 12 V -5% … 57.4 V DC 3 GND Connection data min max Conductor cross section, rigid 0.2 mm2 2.5 mm2 Conductor cross section, flexible 0.2 mm2 2.5 mm2 Conductor cross section, flexible, min. Wire-end sleeve without plastic sleeve 0.25 mm2 2.5 mm2 Conductor cross section, flexible, min. Wire-end sleeve min. Plastic sleeve 0.25 mm2 1.5 mm2 Conductor cross section, AWG 24 12 2 conductors of the same cross section, flexible, min. TWIN-AEH with plastic sleeve 0.5 mm2 1.5 mm2 AWG acc. to UL/CUL 26 12 Permissible operating voltage Depending on the version, the maximum permissible voltage is: N5-1 (low current): 75 V DC N5-2 (high current) and up to hardware version w007: 51.5 V DC N5-2 (high current) and hardware version w007b and higher: 57.5 V DC. With this version, you must – if desired – enter the right threshold value in 2034h Upper Voltage Warning Level. If the input voltage of the controller exceeds this threshold value, the motor is switched off and an error triggered. Above the response threshold set in 4021h:02h (but at the latest from 57.5 V), the integrated ballast circuit is activated (thick‑film resistor PWR163S-25-15R0J from Bourns with 25 W continuous output). The minimum operating voltage is 11.4 V DC. If the input voltage of the controller falls below 10 V, the motor is switched off and an error triggered. A charging capacitor of at least 4700 µF / 50 V (approx. 1000 µF per ampere rated current) must be connected in parallel to the supply voltage to avoid exceeding the permissible operating voltage (e.g., during braking).
Voltage source The operating or supply voltage supplies a battery, a transformer with rectification and filtering, or a switching power supply. Note: EMC: For a DC power supply line longer than 30 m or when using the motor on a DC bus, additional interference-suppression and protection measures are necessary. ► An EMI filter is to be inserted in the DC supply line as close as possible to the controller/motor. ► Long data or supply lines are to be routed through ferrites.
Connections Pin 1 is marked with an asterisk "*". Pin Function Note 1 Shielding Shielding 2 +UB For version N5-1 (low current): 12 V -5% … 72 V +4% DC For version N5-2 (high current) and up to hardware version w007: 12 V - 48 V ±5% DC For version N5-2 (high current) and hardware version w007b and higher: 12 V -5% … 57.4 V DC 3 GND Connection data min max Conductor cross section, rigid 0.2 mm2 2.5 mm2 Conductor cross section, flexible 0.2 mm2 2.5 mm2 Conductor cross section, flexible, min. Wire-end sleeve without plastic sleeve 0.25 mm2 2.5 mm2 Conductor cross section, flexible, min. Wire-end sleeve min. Plastic sleeve 0.25 mm2 1.5 mm2 Conductor cross section, AWG 24 12 2 conductors of the same cross section, flexible, min. TWIN-AEH with plastic sleeve 0.5 mm2 1.5 mm2 AWG acc. to UL/CUL 26 12
Permissible operating voltage Depending on the version, the maximum permissible voltage is: N5-1 (low current): 75 V DC N5-2 (high current) and up to hardware version w007: 51.5 V DC N5-2 (high current) and hardware version w007b and higher: 57.5 V DC. With this version, you must – if desired – enter the right threshold value in 2034h Upper Voltage Warning Level. If the input voltage of the controller exceeds this threshold value, the motor is switched off and an error triggered. Above the response threshold set in 4021h:02h (but at the latest from 57.5 V), the integrated ballast circuit is activated (thick‑film resistor PWR163S-25-15R0J from Bourns with 25 W continuous output). The minimum operating voltage is 11.4 V DC. If the input voltage of the controller falls below 10 V, the motor is switched off and an error triggered. A charging capacitor of at least 4700 µF / 50 V (approx. 1000 µF per ampere rated current) must be connected in parallel to the supply voltage to avoid exceeding the permissible operating voltage (e.g., during braking).
X7 – voltage supply for encoder/Hall sensor, external logic supply Functionality The voltage supply at X7 must be connected under one of the following conditions: A 24 V encoder/Hall sensor is used. In this case, a voltage of 24 V DC must be connected to X7 and bit 0 in object 2059h set to the value "1". A logic voltage supply is necessary for the controller to ensure continued access to the following functions should the power supply be lost at connector X6 (see "X6 – voltage supply"): Logical functionality of the controller Controller communication Encoder Note: The windings of the motor are not supplied by the logic supply.In this case, a voltage of 24 V DC must be connected to X7. With a 24 V encoder, bit 0 in object 2059h must be set to the value "1". In the case of a 5 V encoder, bit 0 in object 2059h is to be set to the value "0" (factory setting).Note: Damages to the encoder/Hall sensor from high voltage! The encoder/Hall sensor can be damaged if object 2059h is incorrectly configured. ► Make certain that bit 0 in object 2059h is not set before you connect an encoder/Hall sensor with rated voltage less than 24 V. Connection Type: Phoenix Contact MC 0.5/2-G-2.5 Mating connector (included in scope of delivery): Phoenix Contact FK-MCP 0.5/2-ST-2.5 (or equivalent) Nanotec article number: ZCPHOFK-MC0,5-2 Pin 1 is marked with an asterisk "*". Pin Function Note 1 +UB Logic/encoder +24 V DC, supply voltage for logic and encoder/Hall sensor 2 GND Connection data min max Conductor cross section, rigid, min. 0.14 mm2 0.5 mm2 Conductor cross section, flexible, min. 0.14 mm2 0.5 mm2 Conductor cross section, flexible, min. Wire-end sleeve without plastic sleeve, min. 0.25 mm2 0.5 mm2 Conductor cross section, min. AWG 26 20 Min. AWG acc. to UL/CUL 28 20
Functionality The voltage supply at X7 must be connected under one of the following conditions: A 24 V encoder/Hall sensor is used. In this case, a voltage of 24 V DC must be connected to X7 and bit 0 in object 2059h set to the value "1". A logic voltage supply is necessary for the controller to ensure continued access to the following functions should the power supply be lost at connector X6 (see "X6 – voltage supply"): Logical functionality of the controller Controller communication Encoder Note: The windings of the motor are not supplied by the logic supply.In this case, a voltage of 24 V DC must be connected to X7. With a 24 V encoder, bit 0 in object 2059h must be set to the value "1". In the case of a 5 V encoder, bit 0 in object 2059h is to be set to the value "0" (factory setting).Note: Damages to the encoder/Hall sensor from high voltage! The encoder/Hall sensor can be damaged if object 2059h is incorrectly configured. ► Make certain that bit 0 in object 2059h is not set before you connect an encoder/Hall sensor with rated voltage less than 24 V.
Connection Type: Phoenix Contact MC 0.5/2-G-2.5 Mating connector (included in scope of delivery): Phoenix Contact FK-MCP 0.5/2-ST-2.5 (or equivalent) Nanotec article number: ZCPHOFK-MC0,5-2 Pin 1 is marked with an asterisk "*". Pin Function Note 1 +UB Logic/encoder +24 V DC, supply voltage for logic and encoder/Hall sensor 2 GND Connection data min max Conductor cross section, rigid, min. 0.14 mm2 0.5 mm2 Conductor cross section, flexible, min. 0.14 mm2 0.5 mm2 Conductor cross section, flexible, min. Wire-end sleeve without plastic sleeve, min. 0.25 mm2 0.5 mm2 Conductor cross section, min. AWG 26 20 Min. AWG acc. to UL/CUL 28 20
X8 – RS-485 IN Type: RJ45 socket Pin 1 is marked with an asterisk "*". Pin Function Note 1 n.c. 2 n.c. 3 n.c. 4 D1 (RS-485 +) 5 D0 (RS-485 -) 6 n.c. 7 n.c. 8 Common Common signal and supply
X9 – RS-485 OUT Type: RJ45 socket Pin 1 is marked with an asterisk "*". Pin Function Note 1 n.c. 2 n.c. 3 n.c. 4 D1 (RS-485 +) 5 D0 (RS-485 -) 6 n.c. 7 n.c. 8 Common Common signal and supply
S1 – hex coding switch for slave address and baud rate Hex coding switch for setting the Modbus address and baud rate. See chapter Communication settings. The value of this switch is multiplied by 16 and added to the value of switch S2; this switch thereby sets the 16s place.
S2 – hex coding switch for slave address and baud rate Hex coding switch for setting the Modbus address and baud rate. See chapter Communication settings. The value of this switch is added to the value of switch S1; this switch thereby sets the 1s place. Example Switch S1 is set to the value "1h", switch S2 to the value "Fh"; the result is the value "1Fh".
S3 – 150 ohm termination resistor This DIP switch (pin 1, marked with an asterisk "*") switches the termination of 150 Ω between RS-485+ and RS-485- on or off.