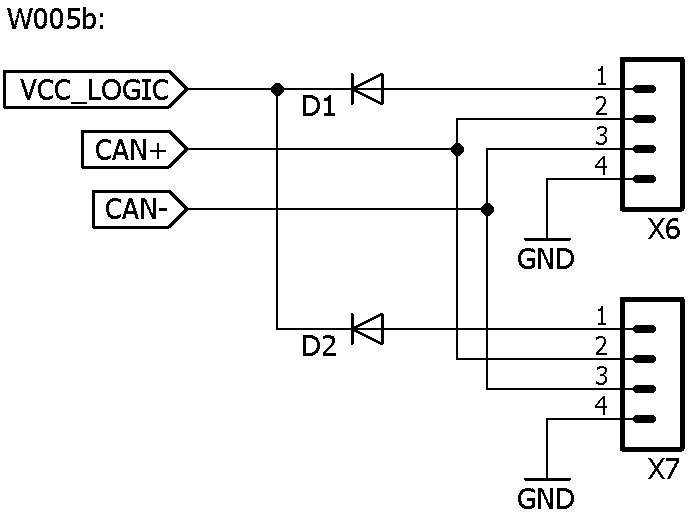
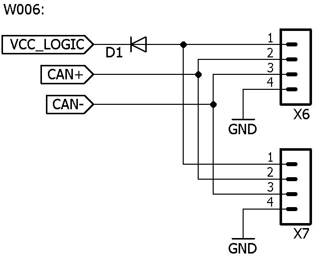
Pin assignment Overview Connection Function X1 CANopen IN/OUT and external logic supply X2 Inputs/outputs X3 Voltage supply S2 Hex coding switch for node-ID and baud rate L1 Power LED S3 120 ohm termination resistor (switch set to ON) Note: All pins with designation GND are internally connected. X1 – CANopen IN/OUT and external logic supply Connections for CANopen. Pin 1 is the pin that faces the motor axis. The contacts of both connectors are connected to one another; both connectors are thus equal. Connector type: JST GHR Suitable Nanotec cable: ZK-PD4-C-CAN-4-500-S (not included in scope of delivery) Pin Function Note 1 Vcc Logic +24 V DC, input voltage, external logic supply for communication, current consumption: approx. 32 mA 2 CAN_H CAN-High 3 CAN_L CAN-Low 4 GND This pin is connected to both connectors. Note: Up to and including hardware version W005b, the pin 1s of both connectors are separated. From hardware version W006 on, the pin 1s of both connectors are connected to one another. Note: In order for the controller to use the logic supply, you must set bit 0 in 4013h:01h and save this object (see chapter Saving objects). Note: Should the main supply fail, the logic supply keeps the electronics, the encoder and the communication interface in operation. The windings of the motor are not supplied by the logic supply. X2 – digital and analog inputs and outputs Connections for the digital and analog inputs and outputs Type: Phoenix Contact MCV 0.5/10-G-2.5 Mating connector (included in scope of delivery): Phoenix Contact FK-MCP 0.5/10-ST-2.5 (or equivalent) Nanotec article number: ZCPHOFK-MC0,5-10 Pin Function Note 1 GND 2 Analog input 10 bit, 0 V - 10 V 3 Voltage output +12 V DC output voltage, max. capacity 100 mA 4 Digital output 1 Open drain, max. 24 V/100 mA 5 Digital output 2 Open drain, max. 24 V/100 mA 6 Digital input 1 5 V / 24 V signal, switchable by means of software with object 3240h, max. 1 MHz 7 Digital input 2 5 V / 24 V signal, switchable by means of software with object 3240h, max. 1 MHz 8 Digital input 3 5 V / 24 V signal, switchable by means of software with object 3240h, max. 1 MHz; this input is used as "direction" input in "clock-direction mode" 9 Digital input 4 5 V / 24 V signal, switchable by means of software with object 3240h, max. 1 MHz; this input is used as "clock" input in "clock-direction mode" 10 GND The following switching thresholds apply for inputs 1 to 4: Max. Voltage Switching thresholds (worst-case calculations) Switching on Switching off 5 V > 4.45 V < 0.56 V 24 V > 16.93 V < 5.27 V Connection data min max Conductor cross section, rigid, min. 0.14 mm2 0.5 mm2 Conductor cross section, flexible, min. 0.14 mm2 0.5 mm2 Conductor cross section, flexible, min. Wire-end sleeve without plastic sleeve, min. 0.25 mm2 0.5 mm2 Conductor cross section, min. AWG 26 20 Min. AWG acc. to UL/CUL 28 20 X3 – voltage supply Voltage source The operating or supply voltage supplies a battery, a transformer with rectification and filtering, or a switching power supply. Note: EMC: For a DC power supply line longer than 30 m or when using the motor on a DC bus, additional interference-suppression and protection measures are necessary. ► An EMI filter is to be inserted in the DC supply line as close as possible to the controller/motor. ► Long data or supply lines are to be routed through ferrites. Connections Type: Phoenix Contact MCV 1.5/ 2-G-3.5 Mating connector (included in scope of delivery): Phoenix Contact FMC 1.5/ 2-ST-3.5 (or equivalent) Nanotec article number ZCPHOF-MC1,5-2 Pin Function Note 1 +Vcc PD4-C: 12-48 V, ±5% PD4-CB: 12-24 V, ±5% 2 GND Connection data min max Conductor cross section, rigid, min. 0.2 mm2 1.5 mm2 Conductor cross section, flexible, min. 0.2 mm2 1.5 mm2 Conductor cross section, flexible, min. Wire-end sleeve without plastic sleeve, min. 0.25 mm2 1.5 mm2 Conductor cross section, flexible, min. Wire-end sleeve min. Plastic sleeve min. 0.25 mm2 0.75 mm2 Conductor cross section, min. AWG 24 16 Min. AWG acc. to UL/CUL 24 16 Permissible operating voltage The maximum operating voltage is 50.4 V DC for the stepper motors (PD4-C) and 25.2 V for the BLDC motors (PD4-CB). If the input voltage of the controller exceeds the threshold value set in 2034h, the motor is switched off and an error triggered. Above the response threshold set in 4021h:02h, the integrated ballast circuit is activated (wirewound resistor Z32041412209K6C000 from Vishay with 3 W continuous output). The minimum operating voltage is 11.4 V DC. If the input voltage of the controller falls below 10 V, the motor is switched off and an error triggered. A charging capacitor of at least 4700 µF / 50 V (approx. 1000 µF per ampere rated current) must be connected in parallel to the supply voltage to avoid exceeding the permissible operating voltage (e.g., during braking). Note: Damage to the controller and/or its power supply due to excitation voltage of the motor! Voltage peaks during operation may damage the controller and possibly its power supply. ► Install suitable circuits (e.g., charging capacitor) that reduce voltage peaks. ► With BLDC motors: Select a voltage source that corresponds to the rated voltage of the respective motor as specified in the motor data sheet. ► Use a power supply with protection circuit to protect against overvoltage. S2 – CANopen node-ID and baud rate Hex coding switch for setting the CANopen node-ID and baud rate. See chapter Setting node-ID and baud rate. S3 – 120 ohm termination resistor This DIP switch switches the termination of 120 Ω between CAN_H and CAN_L of the CAN bus on or off. The "up" switch position switches termination on.
Pin assignment Overview Connection Function X1 CANopen IN/OUT and external logic supply X2 Inputs/outputs X3 Voltage supply S2 Hex coding switch for node-ID and baud rate L1 Power LED S3 120 ohm termination resistor (switch set to ON) Note: All pins with designation GND are internally connected. X1 – CANopen IN/OUT and external logic supply Connections for CANopen. Pin 1 is the pin that faces the motor axis. The contacts of both connectors are connected to one another; both connectors are thus equal. Connector type: JST GHR Suitable Nanotec cable: ZK-PD4-C-CAN-4-500-S (not included in scope of delivery) Pin Function Note 1 Vcc Logic +24 V DC, input voltage, external logic supply for communication, current consumption: approx. 32 mA 2 CAN_H CAN-High 3 CAN_L CAN-Low 4 GND This pin is connected to both connectors. Note: Up to and including hardware version W005b, the pin 1s of both connectors are separated. From hardware version W006 on, the pin 1s of both connectors are connected to one another. Note: In order for the controller to use the logic supply, you must set bit 0 in 4013h:01h and save this object (see chapter Saving objects). Note: Should the main supply fail, the logic supply keeps the electronics, the encoder and the communication interface in operation. The windings of the motor are not supplied by the logic supply. X2 – digital and analog inputs and outputs Connections for the digital and analog inputs and outputs Type: Phoenix Contact MCV 0.5/10-G-2.5 Mating connector (included in scope of delivery): Phoenix Contact FK-MCP 0.5/10-ST-2.5 (or equivalent) Nanotec article number: ZCPHOFK-MC0,5-10 Pin Function Note 1 GND 2 Analog input 10 bit, 0 V - 10 V 3 Voltage output +12 V DC output voltage, max. capacity 100 mA 4 Digital output 1 Open drain, max. 24 V/100 mA 5 Digital output 2 Open drain, max. 24 V/100 mA 6 Digital input 1 5 V / 24 V signal, switchable by means of software with object 3240h, max. 1 MHz 7 Digital input 2 5 V / 24 V signal, switchable by means of software with object 3240h, max. 1 MHz 8 Digital input 3 5 V / 24 V signal, switchable by means of software with object 3240h, max. 1 MHz; this input is used as "direction" input in "clock-direction mode" 9 Digital input 4 5 V / 24 V signal, switchable by means of software with object 3240h, max. 1 MHz; this input is used as "clock" input in "clock-direction mode" 10 GND The following switching thresholds apply for inputs 1 to 4: Max. Voltage Switching thresholds (worst-case calculations) Switching on Switching off 5 V > 4.45 V < 0.56 V 24 V > 16.93 V < 5.27 V Connection data min max Conductor cross section, rigid, min. 0.14 mm2 0.5 mm2 Conductor cross section, flexible, min. 0.14 mm2 0.5 mm2 Conductor cross section, flexible, min. Wire-end sleeve without plastic sleeve, min. 0.25 mm2 0.5 mm2 Conductor cross section, min. AWG 26 20 Min. AWG acc. to UL/CUL 28 20 X3 – voltage supply Voltage source The operating or supply voltage supplies a battery, a transformer with rectification and filtering, or a switching power supply. Note: EMC: For a DC power supply line longer than 30 m or when using the motor on a DC bus, additional interference-suppression and protection measures are necessary. ► An EMI filter is to be inserted in the DC supply line as close as possible to the controller/motor. ► Long data or supply lines are to be routed through ferrites. Connections Type: Phoenix Contact MCV 1.5/ 2-G-3.5 Mating connector (included in scope of delivery): Phoenix Contact FMC 1.5/ 2-ST-3.5 (or equivalent) Nanotec article number ZCPHOF-MC1,5-2 Pin Function Note 1 +Vcc PD4-C: 12-48 V, ±5% PD4-CB: 12-24 V, ±5% 2 GND Connection data min max Conductor cross section, rigid, min. 0.2 mm2 1.5 mm2 Conductor cross section, flexible, min. 0.2 mm2 1.5 mm2 Conductor cross section, flexible, min. Wire-end sleeve without plastic sleeve, min. 0.25 mm2 1.5 mm2 Conductor cross section, flexible, min. Wire-end sleeve min. Plastic sleeve min. 0.25 mm2 0.75 mm2 Conductor cross section, min. AWG 24 16 Min. AWG acc. to UL/CUL 24 16 Permissible operating voltage The maximum operating voltage is 50.4 V DC for the stepper motors (PD4-C) and 25.2 V for the BLDC motors (PD4-CB). If the input voltage of the controller exceeds the threshold value set in 2034h, the motor is switched off and an error triggered. Above the response threshold set in 4021h:02h, the integrated ballast circuit is activated (wirewound resistor Z32041412209K6C000 from Vishay with 3 W continuous output). The minimum operating voltage is 11.4 V DC. If the input voltage of the controller falls below 10 V, the motor is switched off and an error triggered. A charging capacitor of at least 4700 µF / 50 V (approx. 1000 µF per ampere rated current) must be connected in parallel to the supply voltage to avoid exceeding the permissible operating voltage (e.g., during braking). Note: Damage to the controller and/or its power supply due to excitation voltage of the motor! Voltage peaks during operation may damage the controller and possibly its power supply. ► Install suitable circuits (e.g., charging capacitor) that reduce voltage peaks. ► With BLDC motors: Select a voltage source that corresponds to the rated voltage of the respective motor as specified in the motor data sheet. ► Use a power supply with protection circuit to protect against overvoltage. S2 – CANopen node-ID and baud rate Hex coding switch for setting the CANopen node-ID and baud rate. See chapter Setting node-ID and baud rate. S3 – 120 ohm termination resistor This DIP switch switches the termination of 120 Ω between CAN_H and CAN_L of the CAN bus on or off. The "up" switch position switches termination on.
Overview Connection Function X1 CANopen IN/OUT and external logic supply X2 Inputs/outputs X3 Voltage supply S2 Hex coding switch for node-ID and baud rate L1 Power LED S3 120 ohm termination resistor (switch set to ON) Note: All pins with designation GND are internally connected.
X1 – CANopen IN/OUT and external logic supply Connections for CANopen. Pin 1 is the pin that faces the motor axis. The contacts of both connectors are connected to one another; both connectors are thus equal. Connector type: JST GHR Suitable Nanotec cable: ZK-PD4-C-CAN-4-500-S (not included in scope of delivery) Pin Function Note 1 Vcc Logic +24 V DC, input voltage, external logic supply for communication, current consumption: approx. 32 mA 2 CAN_H CAN-High 3 CAN_L CAN-Low 4 GND This pin is connected to both connectors. Note: Up to and including hardware version W005b, the pin 1s of both connectors are separated. From hardware version W006 on, the pin 1s of both connectors are connected to one another. Note: In order for the controller to use the logic supply, you must set bit 0 in 4013h:01h and save this object (see chapter Saving objects). Note: Should the main supply fail, the logic supply keeps the electronics, the encoder and the communication interface in operation. The windings of the motor are not supplied by the logic supply.
X2 – digital and analog inputs and outputs Connections for the digital and analog inputs and outputs Type: Phoenix Contact MCV 0.5/10-G-2.5 Mating connector (included in scope of delivery): Phoenix Contact FK-MCP 0.5/10-ST-2.5 (or equivalent) Nanotec article number: ZCPHOFK-MC0,5-10 Pin Function Note 1 GND 2 Analog input 10 bit, 0 V - 10 V 3 Voltage output +12 V DC output voltage, max. capacity 100 mA 4 Digital output 1 Open drain, max. 24 V/100 mA 5 Digital output 2 Open drain, max. 24 V/100 mA 6 Digital input 1 5 V / 24 V signal, switchable by means of software with object 3240h, max. 1 MHz 7 Digital input 2 5 V / 24 V signal, switchable by means of software with object 3240h, max. 1 MHz 8 Digital input 3 5 V / 24 V signal, switchable by means of software with object 3240h, max. 1 MHz; this input is used as "direction" input in "clock-direction mode" 9 Digital input 4 5 V / 24 V signal, switchable by means of software with object 3240h, max. 1 MHz; this input is used as "clock" input in "clock-direction mode" 10 GND The following switching thresholds apply for inputs 1 to 4: Max. Voltage Switching thresholds (worst-case calculations) Switching on Switching off 5 V > 4.45 V < 0.56 V 24 V > 16.93 V < 5.27 V Connection data min max Conductor cross section, rigid, min. 0.14 mm2 0.5 mm2 Conductor cross section, flexible, min. 0.14 mm2 0.5 mm2 Conductor cross section, flexible, min. Wire-end sleeve without plastic sleeve, min. 0.25 mm2 0.5 mm2 Conductor cross section, min. AWG 26 20 Min. AWG acc. to UL/CUL 28 20
X3 – voltage supply Voltage source The operating or supply voltage supplies a battery, a transformer with rectification and filtering, or a switching power supply. Note: EMC: For a DC power supply line longer than 30 m or when using the motor on a DC bus, additional interference-suppression and protection measures are necessary. ► An EMI filter is to be inserted in the DC supply line as close as possible to the controller/motor. ► Long data or supply lines are to be routed through ferrites. Connections Type: Phoenix Contact MCV 1.5/ 2-G-3.5 Mating connector (included in scope of delivery): Phoenix Contact FMC 1.5/ 2-ST-3.5 (or equivalent) Nanotec article number ZCPHOF-MC1,5-2 Pin Function Note 1 +Vcc PD4-C: 12-48 V, ±5% PD4-CB: 12-24 V, ±5% 2 GND Connection data min max Conductor cross section, rigid, min. 0.2 mm2 1.5 mm2 Conductor cross section, flexible, min. 0.2 mm2 1.5 mm2 Conductor cross section, flexible, min. Wire-end sleeve without plastic sleeve, min. 0.25 mm2 1.5 mm2 Conductor cross section, flexible, min. Wire-end sleeve min. Plastic sleeve min. 0.25 mm2 0.75 mm2 Conductor cross section, min. AWG 24 16 Min. AWG acc. to UL/CUL 24 16 Permissible operating voltage The maximum operating voltage is 50.4 V DC for the stepper motors (PD4-C) and 25.2 V for the BLDC motors (PD4-CB). If the input voltage of the controller exceeds the threshold value set in 2034h, the motor is switched off and an error triggered. Above the response threshold set in 4021h:02h, the integrated ballast circuit is activated (wirewound resistor Z32041412209K6C000 from Vishay with 3 W continuous output). The minimum operating voltage is 11.4 V DC. If the input voltage of the controller falls below 10 V, the motor is switched off and an error triggered. A charging capacitor of at least 4700 µF / 50 V (approx. 1000 µF per ampere rated current) must be connected in parallel to the supply voltage to avoid exceeding the permissible operating voltage (e.g., during braking). Note: Damage to the controller and/or its power supply due to excitation voltage of the motor! Voltage peaks during operation may damage the controller and possibly its power supply. ► Install suitable circuits (e.g., charging capacitor) that reduce voltage peaks. ► With BLDC motors: Select a voltage source that corresponds to the rated voltage of the respective motor as specified in the motor data sheet. ► Use a power supply with protection circuit to protect against overvoltage.
Voltage source The operating or supply voltage supplies a battery, a transformer with rectification and filtering, or a switching power supply. Note: EMC: For a DC power supply line longer than 30 m or when using the motor on a DC bus, additional interference-suppression and protection measures are necessary. ► An EMI filter is to be inserted in the DC supply line as close as possible to the controller/motor. ► Long data or supply lines are to be routed through ferrites.
Connections Type: Phoenix Contact MCV 1.5/ 2-G-3.5 Mating connector (included in scope of delivery): Phoenix Contact FMC 1.5/ 2-ST-3.5 (or equivalent) Nanotec article number ZCPHOF-MC1,5-2 Pin Function Note 1 +Vcc PD4-C: 12-48 V, ±5% PD4-CB: 12-24 V, ±5% 2 GND Connection data min max Conductor cross section, rigid, min. 0.2 mm2 1.5 mm2 Conductor cross section, flexible, min. 0.2 mm2 1.5 mm2 Conductor cross section, flexible, min. Wire-end sleeve without plastic sleeve, min. 0.25 mm2 1.5 mm2 Conductor cross section, flexible, min. Wire-end sleeve min. Plastic sleeve min. 0.25 mm2 0.75 mm2 Conductor cross section, min. AWG 24 16 Min. AWG acc. to UL/CUL 24 16
Permissible operating voltage The maximum operating voltage is 50.4 V DC for the stepper motors (PD4-C) and 25.2 V for the BLDC motors (PD4-CB). If the input voltage of the controller exceeds the threshold value set in 2034h, the motor is switched off and an error triggered. Above the response threshold set in 4021h:02h, the integrated ballast circuit is activated (wirewound resistor Z32041412209K6C000 from Vishay with 3 W continuous output). The minimum operating voltage is 11.4 V DC. If the input voltage of the controller falls below 10 V, the motor is switched off and an error triggered. A charging capacitor of at least 4700 µF / 50 V (approx. 1000 µF per ampere rated current) must be connected in parallel to the supply voltage to avoid exceeding the permissible operating voltage (e.g., during braking). Note: Damage to the controller and/or its power supply due to excitation voltage of the motor! Voltage peaks during operation may damage the controller and possibly its power supply. ► Install suitable circuits (e.g., charging capacitor) that reduce voltage peaks. ► With BLDC motors: Select a voltage source that corresponds to the rated voltage of the respective motor as specified in the motor data sheet. ► Use a power supply with protection circuit to protect against overvoltage.
S2 – CANopen node-ID and baud rate Hex coding switch for setting the CANopen node-ID and baud rate. See chapter Setting node-ID and baud rate.
S3 – 120 ohm termination resistor This DIP switch switches the termination of 120 Ω between CAN_H and CAN_L of the CAN bus on or off. The "up" switch position switches termination on.