Pin assignment Overview Connection Function X1 Modbus RTU IN and OUT X2 Encoder and Hall sensor connection X3 Digital/analog inputs and outputs X4 Brake connection X5 Motor connection X6 Voltage supply X7 Micro USB connection S1 150 ohm termination resistor (switch set to ON) S2 Hex coding switch for slave address and baud rate, 16s place (e.g., F0h) S3 Hex coding switch for slave address and baud rate, 1s place (e.g., 0Fh) L1 Power LED Note: All pins with designation GND are internally connected. X1 – Modbus RTU (RS-485) IN and OUT Type: RJ45 socket Pin 1 is marked with an asterisk "*". Both connectors are configured identically according to the following table. Pin Function Note 1 n.c. 2 n.c. 3 n.c. 4 RS-485+ 5 RS-485- 6 n.c. 7 n.c. Pin 7 of the two connectors internally connected to one another 8 COMMON Pin 8 of the two connectors connected to one another RS-485 line polarization Note: The controller is not equipped with line polarization and expects the master device to have one. If the master device on the bus does not have line polarization of its own, a pair of resistors must be attached to the RS-485 balanced cables: A pull-up resistor to a 5V voltage on the RS-485+ (D1) cable A pull-down resistor to earth (GND) on the RS-485- (D0) cable The value of these resistors must be between 450 ohm and 650 ohm. A 650 ohm resistor permits a higher number of devices on the bus. In this case, a line polarization must be attached at a location for the entire serial bus. In general, this location should be on the master device or its connection. All other devices then no longer need to implement line polarization. X2 – encoder/Hall sensor Type: JST S12B-PADSS-1 Mating connector (not included in scope of delivery): Housing: JST PADP-12V-1-S (or equivalent) Contacts: JST SPH-001T-P0.5L (or equivalent) Suitable Nanotec cables (not included in the scope of delivery): ZK-PADP-12-500-S ZK-M12-8-2M-2-PADP ZK-M12-12-2M-2-PADP ZK-NTO3-10-500-PADP / ZK-NTO3-10-1000-PADP ZK-NOE-10-500-S-PADP ZK-WEDL-500-S-PADP Pin 1 and pin 2 are marked in the figure. Pin Function Note 1 GND 2 Vcc 5 V DC, output and supply voltage for encoder / Hall sensor; max. 200 mA 3 A 5 V signal, max. 1 MHz 4 B 5 V signal, max. 1 MHz 5 A\ 5 V signal, max. 1 MHz 6 B\ 5 V signal, max. 1 MHz 7 I 5 V signal, max. 1 MHz 8 I\ 5 V signal, max. 1 MHz 9 Hall 1 5 V signal 10 Hall 2 5 V signal 11 Hall 3 5 V signal 12 Shielding Shielding Note: If a single-ended encoder is used, channels A/, B/ and I/ are not evaluated! To ensure that a single-ended encoder is correctly detected: ► Set the object 2059h to the value "2". ► Do not connect anything to pins A\, B\, I\, and do not connect these pins to ground (GND). The following switching thresholds apply for the encoder inputs: Type Switching thresholds On Off Single > 3.8 V < 0.26 V Difference > 3.8 V < 0.26 V The internal wiring of the encoder inputs is shown in the following. X3 – inputs and outputs Type: Phoenix Contact MC 0.5/12-G-2.5 Mating connector (included in scope of delivery): Phoenix Contact FK-MCP 0.5/12-ST-2.5 (or equivalent) Nanotec article number: ZCPHOFK-MC0,5-12 Pin 1 is marked with an asterisk "*". Pin Function Note 1 +10 V DC Output voltage, max. 200 mA 2 Digital input 1 5 V / 24 V signal, switchable by means of software with object 3240h, max. 1 MHz; clock input in clock-direction mode 3 Digital input 2 5 V / 24 V signal, switchable by means of software with object 3240h, max. 1 MHz; direction input in clock-direction mode 4 Digital input 3 5 V / 24 V signal, switchable by means of software with object 3240h 5 Digital input 4 5 V / 24 V signal, switchable by means of software with object 3240h 6 Digital input 5 5 V / 24 V signal, switchable by means of software with object 3240h 7 Analog input 1 10 bit, 0-10 V or 0-20 mA, switchable by means of software with object 3221h 8 Analog input 2 10 bit, 0-10 V, not switchable by means of software 9 Digital output 1 Open drain, maximum 24 V / 100 mA 10 Digital output 2 Open drain, maximum 24 V / 100 mA 11 Digital output 3 Open drain, maximum 24 V / 100 mA 12 GND The following switching thresholds apply for inputs 1 to 5: Max. Voltage Switching thresholds On Off 5 V > 3.8 V < 0.26 V 24 V > 14.42 V < 4.16 V The following applies for the analog inputs: Configuration of analog input Input resistance (maximum value) Voltage input approx. 147 kOhm Current input (analog input 1 only) at 1 mA: approx. 350 ohm Current input (analog input 1 only) at 20 mA: approx. 283 ohm Connection data min max Conductor cross section, rigid, min. 0.14 mm2 0.5 mm2 Conductor cross section, flexible, min. 0.14 mm2 0.5 mm2 Conductor cross section, flexible, min. Wire-end sleeve without plastic sleeve, min. 0.25 mm2 0.5 mm2 Conductor cross section, min. AWG 26 20 Min. AWG acc. to UL/CUL 28 20 X4 – brake connection Type: Phoenix Contact MC 0.5/2-G-2.5 Mating connector (included in scope of delivery): Phoenix Contact FK-MCP 0.5/2-ST-2.5 (or equivalent) Nanotec article number: ZCPHOFK-MC0,5-2 Pin 1 is marked with an asterisk "*". Pin Function Note 1 Brake + Internally connected to +UB 2 Brake - PWM-controlled open-drain output, max. 1.5 A Connection data min max Conductor cross section, rigid, min. 0.14 mm2 0.5 mm2 Conductor cross section, flexible, min. 0.14 mm2 0.5 mm2 Conductor cross section, flexible, min. Wire-end sleeve without plastic sleeve, min. 0.25 mm2 0.5 mm2 Conductor cross section, min. AWG 26 20 Min. AWG acc. to UL/CUL 28 20 X5 – motor connection Type: Würth Elektronik 691313510004 Mating connector (included in scope of delivery): Würth Elektronik 691353500004 (or equivalent) Nanotec article number: ZCPHOFKC-2,5HC-4 Pin 1 is marked with an asterisk "*". Pin Function (Stepper) Function (BLDC) 1 A U 2 A\ V 3 B W 4 B\ Not used Connection data min max Conductor cross section, rigid, min. 0.2 mm2 1.5 mm2 Conductor cross section, flexible, min. 0.2 mm2 1.5 mm2 Conductor cross section, flexible, min. Wire-end sleeve without plastic sleeve, min. 0.25 mm2 1.5 mm2 Conductor cross section, flexible, min. Wire-end sleeve min. Plastic sleeve min. 0.25 mm2 0.75 mm2 Conductor cross section, min. AWG 24 16 Min. AWG acc. to UL/CUL 24 16 X6 – voltage supply Type: Würth Elektronik 691313510002 Mating connector (included in scope of delivery): Würth Elektronik 691353500002 (or equivalent) Nanotec article number: ZCPHOFKC-2,5HC-2 Voltage source The operating or supply voltage supplies a battery, a transformer with rectification and filtering, or a switching power supply. Note: EMC: For a DC power supply line longer than 30 m or when using the motor on a DC bus, additional interference-suppression and protection measures are necessary. ► An EMI filter is to be inserted in the DC supply line as close as possible to the controller/motor. ► Long data or supply lines are to be routed through ferrites. Connections Pin 1 is marked with an asterisk "*". Pin Function Note 1 +UB 12 V - 48 V DC, ±5% 2 GND Connection data min max Conductor cross section, rigid, min. 0.2 mm2 1.5 mm2 Conductor cross section, flexible, min. 0.2 mm2 1.5 mm2 Conductor cross section, flexible, min. Wire-end sleeve without plastic sleeve, min. 0.25 mm2 1.5 mm2 Conductor cross section, flexible, min. Wire-end sleeve min. Plastic sleeve min. 0.25 mm2 0.75 mm2 Conductor cross section, min. AWG 24 16 Min. AWG acc. to UL/CUL 24 16 Permissible operating voltage The maximum operating voltage is 50.4 V DC. If the input voltage of the controller exceeds the threshold value set in 2034h, the motor is switched off and an error triggered. Above the response threshold set in 4021h:02h, the integrated ballast circuit is activated (wirewound resistor CR257-05T15R from VITROHM with 5 W continuous output). The minimum operating voltage is 11.4 V DC. If the input voltage of the controller falls below 10 V, the motor is switched off and an error triggered. A charging capacitor of at least 4700 µF / 50 V (approx. 1000 µF per ampere rated current) must be connected in parallel to the supply voltage to avoid exceeding the permissible operating voltage (e.g., during braking). X7 − Micro USB A cable of type "micro USB" is needed for this USB connection. S1 – termination resistor This DIP switch switches the termination of 150 Ω between RS-485+ and RS-485- (see X1 – Modbus RTU (RS-485) IN and OUT). The "down" switch position switches termination on. S2 – Modbus slave address and baud rate For setting the slave address and baud rate. The value of this switch is multiplied by 16 and added to the value of switch S3; this switch thereby sets the 16s place. See chapter Communication settings. S3 – Modbus slave address and baud rate For setting the slave address and baud rate. The value of this switch is added to the value of switch S2; this switch thereby sets the 1s place. See chapter Communication settings. Example Switch S2 is set to the value 1h, switch S3 to the value Fh; the result is the value 1Fh for setting the address and baud rate.
Pin assignment Overview Connection Function X1 Modbus RTU IN and OUT X2 Encoder and Hall sensor connection X3 Digital/analog inputs and outputs X4 Brake connection X5 Motor connection X6 Voltage supply X7 Micro USB connection S1 150 ohm termination resistor (switch set to ON) S2 Hex coding switch for slave address and baud rate, 16s place (e.g., F0h) S3 Hex coding switch for slave address and baud rate, 1s place (e.g., 0Fh) L1 Power LED Note: All pins with designation GND are internally connected. X1 – Modbus RTU (RS-485) IN and OUT Type: RJ45 socket Pin 1 is marked with an asterisk "*". Both connectors are configured identically according to the following table. Pin Function Note 1 n.c. 2 n.c. 3 n.c. 4 RS-485+ 5 RS-485- 6 n.c. 7 n.c. Pin 7 of the two connectors internally connected to one another 8 COMMON Pin 8 of the two connectors connected to one another RS-485 line polarization Note: The controller is not equipped with line polarization and expects the master device to have one. If the master device on the bus does not have line polarization of its own, a pair of resistors must be attached to the RS-485 balanced cables: A pull-up resistor to a 5V voltage on the RS-485+ (D1) cable A pull-down resistor to earth (GND) on the RS-485- (D0) cable The value of these resistors must be between 450 ohm and 650 ohm. A 650 ohm resistor permits a higher number of devices on the bus. In this case, a line polarization must be attached at a location for the entire serial bus. In general, this location should be on the master device or its connection. All other devices then no longer need to implement line polarization. X2 – encoder/Hall sensor Type: JST S12B-PADSS-1 Mating connector (not included in scope of delivery): Housing: JST PADP-12V-1-S (or equivalent) Contacts: JST SPH-001T-P0.5L (or equivalent) Suitable Nanotec cables (not included in the scope of delivery): ZK-PADP-12-500-S ZK-M12-8-2M-2-PADP ZK-M12-12-2M-2-PADP ZK-NTO3-10-500-PADP / ZK-NTO3-10-1000-PADP ZK-NOE-10-500-S-PADP ZK-WEDL-500-S-PADP Pin 1 and pin 2 are marked in the figure. Pin Function Note 1 GND 2 Vcc 5 V DC, output and supply voltage for encoder / Hall sensor; max. 200 mA 3 A 5 V signal, max. 1 MHz 4 B 5 V signal, max. 1 MHz 5 A\ 5 V signal, max. 1 MHz 6 B\ 5 V signal, max. 1 MHz 7 I 5 V signal, max. 1 MHz 8 I\ 5 V signal, max. 1 MHz 9 Hall 1 5 V signal 10 Hall 2 5 V signal 11 Hall 3 5 V signal 12 Shielding Shielding Note: If a single-ended encoder is used, channels A/, B/ and I/ are not evaluated! To ensure that a single-ended encoder is correctly detected: ► Set the object 2059h to the value "2". ► Do not connect anything to pins A\, B\, I\, and do not connect these pins to ground (GND). The following switching thresholds apply for the encoder inputs: Type Switching thresholds On Off Single > 3.8 V < 0.26 V Difference > 3.8 V < 0.26 V The internal wiring of the encoder inputs is shown in the following. X3 – inputs and outputs Type: Phoenix Contact MC 0.5/12-G-2.5 Mating connector (included in scope of delivery): Phoenix Contact FK-MCP 0.5/12-ST-2.5 (or equivalent) Nanotec article number: ZCPHOFK-MC0,5-12 Pin 1 is marked with an asterisk "*". Pin Function Note 1 +10 V DC Output voltage, max. 200 mA 2 Digital input 1 5 V / 24 V signal, switchable by means of software with object 3240h, max. 1 MHz; clock input in clock-direction mode 3 Digital input 2 5 V / 24 V signal, switchable by means of software with object 3240h, max. 1 MHz; direction input in clock-direction mode 4 Digital input 3 5 V / 24 V signal, switchable by means of software with object 3240h 5 Digital input 4 5 V / 24 V signal, switchable by means of software with object 3240h 6 Digital input 5 5 V / 24 V signal, switchable by means of software with object 3240h 7 Analog input 1 10 bit, 0-10 V or 0-20 mA, switchable by means of software with object 3221h 8 Analog input 2 10 bit, 0-10 V, not switchable by means of software 9 Digital output 1 Open drain, maximum 24 V / 100 mA 10 Digital output 2 Open drain, maximum 24 V / 100 mA 11 Digital output 3 Open drain, maximum 24 V / 100 mA 12 GND The following switching thresholds apply for inputs 1 to 5: Max. Voltage Switching thresholds On Off 5 V > 3.8 V < 0.26 V 24 V > 14.42 V < 4.16 V The following applies for the analog inputs: Configuration of analog input Input resistance (maximum value) Voltage input approx. 147 kOhm Current input (analog input 1 only) at 1 mA: approx. 350 ohm Current input (analog input 1 only) at 20 mA: approx. 283 ohm Connection data min max Conductor cross section, rigid, min. 0.14 mm2 0.5 mm2 Conductor cross section, flexible, min. 0.14 mm2 0.5 mm2 Conductor cross section, flexible, min. Wire-end sleeve without plastic sleeve, min. 0.25 mm2 0.5 mm2 Conductor cross section, min. AWG 26 20 Min. AWG acc. to UL/CUL 28 20 X4 – brake connection Type: Phoenix Contact MC 0.5/2-G-2.5 Mating connector (included in scope of delivery): Phoenix Contact FK-MCP 0.5/2-ST-2.5 (or equivalent) Nanotec article number: ZCPHOFK-MC0,5-2 Pin 1 is marked with an asterisk "*". Pin Function Note 1 Brake + Internally connected to +UB 2 Brake - PWM-controlled open-drain output, max. 1.5 A Connection data min max Conductor cross section, rigid, min. 0.14 mm2 0.5 mm2 Conductor cross section, flexible, min. 0.14 mm2 0.5 mm2 Conductor cross section, flexible, min. Wire-end sleeve without plastic sleeve, min. 0.25 mm2 0.5 mm2 Conductor cross section, min. AWG 26 20 Min. AWG acc. to UL/CUL 28 20 X5 – motor connection Type: Würth Elektronik 691313510004 Mating connector (included in scope of delivery): Würth Elektronik 691353500004 (or equivalent) Nanotec article number: ZCPHOFKC-2,5HC-4 Pin 1 is marked with an asterisk "*". Pin Function (Stepper) Function (BLDC) 1 A U 2 A\ V 3 B W 4 B\ Not used Connection data min max Conductor cross section, rigid, min. 0.2 mm2 1.5 mm2 Conductor cross section, flexible, min. 0.2 mm2 1.5 mm2 Conductor cross section, flexible, min. Wire-end sleeve without plastic sleeve, min. 0.25 mm2 1.5 mm2 Conductor cross section, flexible, min. Wire-end sleeve min. Plastic sleeve min. 0.25 mm2 0.75 mm2 Conductor cross section, min. AWG 24 16 Min. AWG acc. to UL/CUL 24 16 X6 – voltage supply Type: Würth Elektronik 691313510002 Mating connector (included in scope of delivery): Würth Elektronik 691353500002 (or equivalent) Nanotec article number: ZCPHOFKC-2,5HC-2 Voltage source The operating or supply voltage supplies a battery, a transformer with rectification and filtering, or a switching power supply. Note: EMC: For a DC power supply line longer than 30 m or when using the motor on a DC bus, additional interference-suppression and protection measures are necessary. ► An EMI filter is to be inserted in the DC supply line as close as possible to the controller/motor. ► Long data or supply lines are to be routed through ferrites. Connections Pin 1 is marked with an asterisk "*". Pin Function Note 1 +UB 12 V - 48 V DC, ±5% 2 GND Connection data min max Conductor cross section, rigid, min. 0.2 mm2 1.5 mm2 Conductor cross section, flexible, min. 0.2 mm2 1.5 mm2 Conductor cross section, flexible, min. Wire-end sleeve without plastic sleeve, min. 0.25 mm2 1.5 mm2 Conductor cross section, flexible, min. Wire-end sleeve min. Plastic sleeve min. 0.25 mm2 0.75 mm2 Conductor cross section, min. AWG 24 16 Min. AWG acc. to UL/CUL 24 16 Permissible operating voltage The maximum operating voltage is 50.4 V DC. If the input voltage of the controller exceeds the threshold value set in 2034h, the motor is switched off and an error triggered. Above the response threshold set in 4021h:02h, the integrated ballast circuit is activated (wirewound resistor CR257-05T15R from VITROHM with 5 W continuous output). The minimum operating voltage is 11.4 V DC. If the input voltage of the controller falls below 10 V, the motor is switched off and an error triggered. A charging capacitor of at least 4700 µF / 50 V (approx. 1000 µF per ampere rated current) must be connected in parallel to the supply voltage to avoid exceeding the permissible operating voltage (e.g., during braking). X7 − Micro USB A cable of type "micro USB" is needed for this USB connection. S1 – termination resistor This DIP switch switches the termination of 150 Ω between RS-485+ and RS-485- (see X1 – Modbus RTU (RS-485) IN and OUT). The "down" switch position switches termination on. S2 – Modbus slave address and baud rate For setting the slave address and baud rate. The value of this switch is multiplied by 16 and added to the value of switch S3; this switch thereby sets the 16s place. See chapter Communication settings. S3 – Modbus slave address and baud rate For setting the slave address and baud rate. The value of this switch is added to the value of switch S2; this switch thereby sets the 1s place. See chapter Communication settings. Example Switch S2 is set to the value 1h, switch S3 to the value Fh; the result is the value 1Fh for setting the address and baud rate.
Overview Connection Function X1 Modbus RTU IN and OUT X2 Encoder and Hall sensor connection X3 Digital/analog inputs and outputs X4 Brake connection X5 Motor connection X6 Voltage supply X7 Micro USB connection S1 150 ohm termination resistor (switch set to ON) S2 Hex coding switch for slave address and baud rate, 16s place (e.g., F0h) S3 Hex coding switch for slave address and baud rate, 1s place (e.g., 0Fh) L1 Power LED Note: All pins with designation GND are internally connected.
X1 – Modbus RTU (RS-485) IN and OUT Type: RJ45 socket Pin 1 is marked with an asterisk "*". Both connectors are configured identically according to the following table. Pin Function Note 1 n.c. 2 n.c. 3 n.c. 4 RS-485+ 5 RS-485- 6 n.c. 7 n.c. Pin 7 of the two connectors internally connected to one another 8 COMMON Pin 8 of the two connectors connected to one another RS-485 line polarization Note: The controller is not equipped with line polarization and expects the master device to have one. If the master device on the bus does not have line polarization of its own, a pair of resistors must be attached to the RS-485 balanced cables: A pull-up resistor to a 5V voltage on the RS-485+ (D1) cable A pull-down resistor to earth (GND) on the RS-485- (D0) cable The value of these resistors must be between 450 ohm and 650 ohm. A 650 ohm resistor permits a higher number of devices on the bus. In this case, a line polarization must be attached at a location for the entire serial bus. In general, this location should be on the master device or its connection. All other devices then no longer need to implement line polarization.
RS-485 line polarization Note: The controller is not equipped with line polarization and expects the master device to have one. If the master device on the bus does not have line polarization of its own, a pair of resistors must be attached to the RS-485 balanced cables: A pull-up resistor to a 5V voltage on the RS-485+ (D1) cable A pull-down resistor to earth (GND) on the RS-485- (D0) cable The value of these resistors must be between 450 ohm and 650 ohm. A 650 ohm resistor permits a higher number of devices on the bus. In this case, a line polarization must be attached at a location for the entire serial bus. In general, this location should be on the master device or its connection. All other devices then no longer need to implement line polarization.
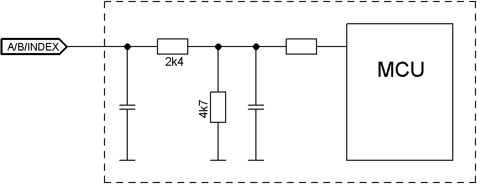
X2 – encoder/Hall sensor Type: JST S12B-PADSS-1 Mating connector (not included in scope of delivery): Housing: JST PADP-12V-1-S (or equivalent) Contacts: JST SPH-001T-P0.5L (or equivalent) Suitable Nanotec cables (not included in the scope of delivery): ZK-PADP-12-500-S ZK-M12-8-2M-2-PADP ZK-M12-12-2M-2-PADP ZK-NTO3-10-500-PADP / ZK-NTO3-10-1000-PADP ZK-NOE-10-500-S-PADP ZK-WEDL-500-S-PADP Pin 1 and pin 2 are marked in the figure. Pin Function Note 1 GND 2 Vcc 5 V DC, output and supply voltage for encoder / Hall sensor; max. 200 mA 3 A 5 V signal, max. 1 MHz 4 B 5 V signal, max. 1 MHz 5 A\ 5 V signal, max. 1 MHz 6 B\ 5 V signal, max. 1 MHz 7 I 5 V signal, max. 1 MHz 8 I\ 5 V signal, max. 1 MHz 9 Hall 1 5 V signal 10 Hall 2 5 V signal 11 Hall 3 5 V signal 12 Shielding Shielding Note: If a single-ended encoder is used, channels A/, B/ and I/ are not evaluated! To ensure that a single-ended encoder is correctly detected: ► Set the object 2059h to the value "2". ► Do not connect anything to pins A\, B\, I\, and do not connect these pins to ground (GND). The following switching thresholds apply for the encoder inputs: Type Switching thresholds On Off Single > 3.8 V < 0.26 V Difference > 3.8 V < 0.26 V The internal wiring of the encoder inputs is shown in the following.
X3 – inputs and outputs Type: Phoenix Contact MC 0.5/12-G-2.5 Mating connector (included in scope of delivery): Phoenix Contact FK-MCP 0.5/12-ST-2.5 (or equivalent) Nanotec article number: ZCPHOFK-MC0,5-12 Pin 1 is marked with an asterisk "*". Pin Function Note 1 +10 V DC Output voltage, max. 200 mA 2 Digital input 1 5 V / 24 V signal, switchable by means of software with object 3240h, max. 1 MHz; clock input in clock-direction mode 3 Digital input 2 5 V / 24 V signal, switchable by means of software with object 3240h, max. 1 MHz; direction input in clock-direction mode 4 Digital input 3 5 V / 24 V signal, switchable by means of software with object 3240h 5 Digital input 4 5 V / 24 V signal, switchable by means of software with object 3240h 6 Digital input 5 5 V / 24 V signal, switchable by means of software with object 3240h 7 Analog input 1 10 bit, 0-10 V or 0-20 mA, switchable by means of software with object 3221h 8 Analog input 2 10 bit, 0-10 V, not switchable by means of software 9 Digital output 1 Open drain, maximum 24 V / 100 mA 10 Digital output 2 Open drain, maximum 24 V / 100 mA 11 Digital output 3 Open drain, maximum 24 V / 100 mA 12 GND The following switching thresholds apply for inputs 1 to 5: Max. Voltage Switching thresholds On Off 5 V > 3.8 V < 0.26 V 24 V > 14.42 V < 4.16 V The following applies for the analog inputs: Configuration of analog input Input resistance (maximum value) Voltage input approx. 147 kOhm Current input (analog input 1 only) at 1 mA: approx. 350 ohm Current input (analog input 1 only) at 20 mA: approx. 283 ohm Connection data min max Conductor cross section, rigid, min. 0.14 mm2 0.5 mm2 Conductor cross section, flexible, min. 0.14 mm2 0.5 mm2 Conductor cross section, flexible, min. Wire-end sleeve without plastic sleeve, min. 0.25 mm2 0.5 mm2 Conductor cross section, min. AWG 26 20 Min. AWG acc. to UL/CUL 28 20
X4 – brake connection Type: Phoenix Contact MC 0.5/2-G-2.5 Mating connector (included in scope of delivery): Phoenix Contact FK-MCP 0.5/2-ST-2.5 (or equivalent) Nanotec article number: ZCPHOFK-MC0,5-2 Pin 1 is marked with an asterisk "*". Pin Function Note 1 Brake + Internally connected to +UB 2 Brake - PWM-controlled open-drain output, max. 1.5 A Connection data min max Conductor cross section, rigid, min. 0.14 mm2 0.5 mm2 Conductor cross section, flexible, min. 0.14 mm2 0.5 mm2 Conductor cross section, flexible, min. Wire-end sleeve without plastic sleeve, min. 0.25 mm2 0.5 mm2 Conductor cross section, min. AWG 26 20 Min. AWG acc. to UL/CUL 28 20
X5 – motor connection Type: Würth Elektronik 691313510004 Mating connector (included in scope of delivery): Würth Elektronik 691353500004 (or equivalent) Nanotec article number: ZCPHOFKC-2,5HC-4 Pin 1 is marked with an asterisk "*". Pin Function (Stepper) Function (BLDC) 1 A U 2 A\ V 3 B W 4 B\ Not used Connection data min max Conductor cross section, rigid, min. 0.2 mm2 1.5 mm2 Conductor cross section, flexible, min. 0.2 mm2 1.5 mm2 Conductor cross section, flexible, min. Wire-end sleeve without plastic sleeve, min. 0.25 mm2 1.5 mm2 Conductor cross section, flexible, min. Wire-end sleeve min. Plastic sleeve min. 0.25 mm2 0.75 mm2 Conductor cross section, min. AWG 24 16 Min. AWG acc. to UL/CUL 24 16
X6 – voltage supply Type: Würth Elektronik 691313510002 Mating connector (included in scope of delivery): Würth Elektronik 691353500002 (or equivalent) Nanotec article number: ZCPHOFKC-2,5HC-2 Voltage source The operating or supply voltage supplies a battery, a transformer with rectification and filtering, or a switching power supply. Note: EMC: For a DC power supply line longer than 30 m or when using the motor on a DC bus, additional interference-suppression and protection measures are necessary. ► An EMI filter is to be inserted in the DC supply line as close as possible to the controller/motor. ► Long data or supply lines are to be routed through ferrites. Connections Pin 1 is marked with an asterisk "*". Pin Function Note 1 +UB 12 V - 48 V DC, ±5% 2 GND Connection data min max Conductor cross section, rigid, min. 0.2 mm2 1.5 mm2 Conductor cross section, flexible, min. 0.2 mm2 1.5 mm2 Conductor cross section, flexible, min. Wire-end sleeve without plastic sleeve, min. 0.25 mm2 1.5 mm2 Conductor cross section, flexible, min. Wire-end sleeve min. Plastic sleeve min. 0.25 mm2 0.75 mm2 Conductor cross section, min. AWG 24 16 Min. AWG acc. to UL/CUL 24 16 Permissible operating voltage The maximum operating voltage is 50.4 V DC. If the input voltage of the controller exceeds the threshold value set in 2034h, the motor is switched off and an error triggered. Above the response threshold set in 4021h:02h, the integrated ballast circuit is activated (wirewound resistor CR257-05T15R from VITROHM with 5 W continuous output). The minimum operating voltage is 11.4 V DC. If the input voltage of the controller falls below 10 V, the motor is switched off and an error triggered. A charging capacitor of at least 4700 µF / 50 V (approx. 1000 µF per ampere rated current) must be connected in parallel to the supply voltage to avoid exceeding the permissible operating voltage (e.g., during braking).
Voltage source The operating or supply voltage supplies a battery, a transformer with rectification and filtering, or a switching power supply. Note: EMC: For a DC power supply line longer than 30 m or when using the motor on a DC bus, additional interference-suppression and protection measures are necessary. ► An EMI filter is to be inserted in the DC supply line as close as possible to the controller/motor. ► Long data or supply lines are to be routed through ferrites.
Connections Pin 1 is marked with an asterisk "*". Pin Function Note 1 +UB 12 V - 48 V DC, ±5% 2 GND Connection data min max Conductor cross section, rigid, min. 0.2 mm2 1.5 mm2 Conductor cross section, flexible, min. 0.2 mm2 1.5 mm2 Conductor cross section, flexible, min. Wire-end sleeve without plastic sleeve, min. 0.25 mm2 1.5 mm2 Conductor cross section, flexible, min. Wire-end sleeve min. Plastic sleeve min. 0.25 mm2 0.75 mm2 Conductor cross section, min. AWG 24 16 Min. AWG acc. to UL/CUL 24 16
Permissible operating voltage The maximum operating voltage is 50.4 V DC. If the input voltage of the controller exceeds the threshold value set in 2034h, the motor is switched off and an error triggered. Above the response threshold set in 4021h:02h, the integrated ballast circuit is activated (wirewound resistor CR257-05T15R from VITROHM with 5 W continuous output). The minimum operating voltage is 11.4 V DC. If the input voltage of the controller falls below 10 V, the motor is switched off and an error triggered. A charging capacitor of at least 4700 µF / 50 V (approx. 1000 µF per ampere rated current) must be connected in parallel to the supply voltage to avoid exceeding the permissible operating voltage (e.g., during braking).
S1 – termination resistor This DIP switch switches the termination of 150 Ω between RS-485+ and RS-485- (see X1 – Modbus RTU (RS-485) IN and OUT). The "down" switch position switches termination on.
S2 – Modbus slave address and baud rate For setting the slave address and baud rate. The value of this switch is multiplied by 16 and added to the value of switch S3; this switch thereby sets the 16s place. See chapter Communication settings.
S3 – Modbus slave address and baud rate For setting the slave address and baud rate. The value of this switch is added to the value of switch S2; this switch thereby sets the 1s place. See chapter Communication settings. Example Switch S2 is set to the value 1h, switch S3 to the value Fh; the result is the value 1Fh for setting the address and baud rate.